Запчасти Case IH 2230 (44.103.01) - 10 BOLT SINGLE HUB 3 1/2" SPINDLE (44) - WHEELS

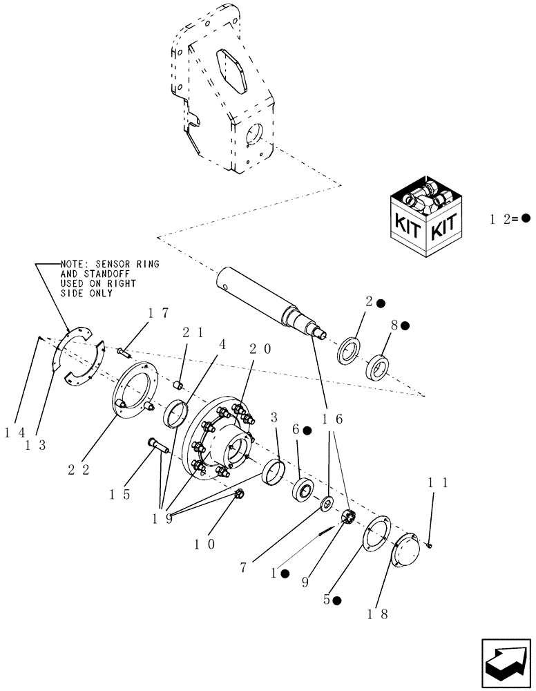
Схема запчастей Case IH 2230 - (44.103.01) - 10 BOLT SINGLE HUB 3 1/2" SPINDLE (44) - WHEELS
4
8
9
19
1
11
6
3
17
22
15
13
14
21
7
20
5
10
18
12
2
16
FIT
1:1
100%

Артикул

Название

Примечание

Количество

1

87400

COTTER PIN,3/16" x 2"

1шт.

2

412775A1

OIL SEAL

se48

1шт.

3

21884250

BEARING CUP,107.95mm OD

#453A

1шт.

4

371878A1

BEARING CUP,112.71mm OD x 23.81mm W

#39520

1шт.

5

1027681

GASKET

rubber

1шт.

6

86594308

BEARING CONE,44.45mm ID x 29.32mm W

#460

1шт.

7

412778A1

WASHER,31.75mm ID

spindle wa23 1 1/4" id

1шт.

8

371884A1

BEARING CONE,63.5mm ID x 30.24mm W

#39585

1шт.

9

7666

SLOTTED NUT,1 1/4"-12, G2

1шт.

10

9790660

FLANGE NUT,Flg, 3/4"-16, G8

10шт.

11

1027683

BOLT

wheel 5/16"-18 x 1/2", G2

4шт.

13

21681

RING

sensor half of 60 tooth

2шт.

14

22007

SELF-TAP SCREW

#8 x 5/8" fh b pi

5шт.

15

22792

STUD

3/4"-16 x 3 9/32", G5

10шт.

16

22840

SPINDLE

s1010 - 3 1/2" x 21 1/2" 4340 htsr

1шт.

Includes 7664 and 7666

1шт.

17

51200099

BOLT,1/2" - 20 x 2 1/4"

3шт.

18

87506238

HUB CAP

dc27 bolt on

1шт.

19

87506239

HUB

h1010 c/w cups & studs

1шт.

20

CC-179A

HUB

spindle assembly, h1010 - 21 1/2"

1шт.

Includes everything on page except GI-199, GH-121, 23633, 21681 and 22007

1шт.

21

GH-121

SPACER

meter drive wheel

3шт.

22

GI-199

SPACER

sensor ring - h1010 hub

1шт.

Выбрано товаров: 23