Запчасти Case IH 2230 (44.151.03) - REAR AXLE HOUSING SPACERS (44) - WHEELS

Схема запчастей Case IH 2230 - (44.151.03) - REAR AXLE HOUSING SPACERS (44) - WHEELS
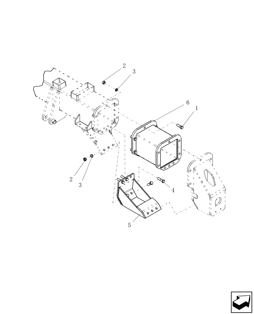
6
1
2
3
3
4
2
5
FIT
1:1
100%

Артикул

Название

Примечание

Количество

1

9706701

BOLT,Hex, 3/4" - 10 x 2 1/2", Gr 5

18шт.

2

280954

NUT,3/4"-10, G5

24шт.

3

87340

LOCK WASHER,Helical Spring, 0.759" ID, CST, ZND

24шт.

4

87337

BOLT,Hex, 3/4" - 10 x 3", Gr 5

6шт.

5

GI-178

SUPPORT

15" axle extension

2шт.

Shown

1шт.

5

GI-180

SUPPORT

6" axle spacer

2шт.

5

GI-224

SUPPORT

12" axle spacer

2шт.

5

GI-222

SUPPORT

16" axle spacer

2шт.

5

GI-156

SUPPORT

20" axle spacer

2шт.

6

GI-179

SPACER

axle 15"

2шт.

Shown

1шт.

6

GI-173

SPACER

axle 6"

2шт.

6

GI-225

SPACER

axle 12"

2шт.

6

GI-223

SPACER

axle 16"

2шт.

6

GI-157

SPACER

axle 20"

2шт.

Выбрано товаров: 16