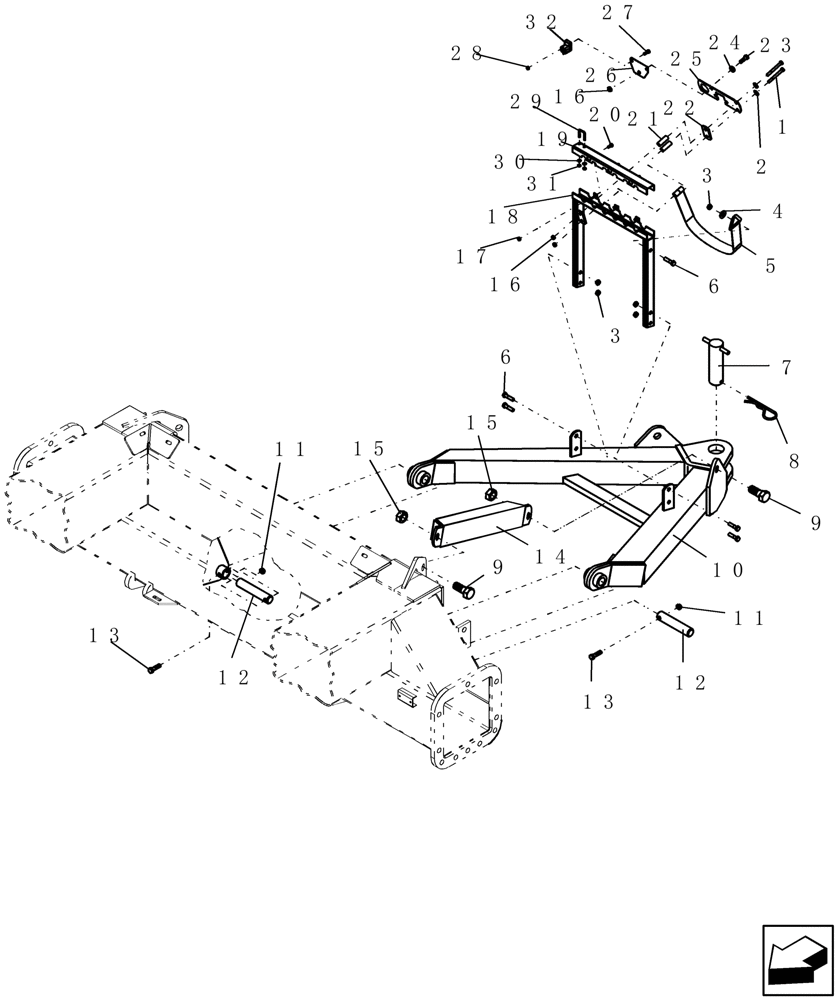
Запчасти Case IH 2280 (39.100.08) - TOW BETWEEN REAR HITCH (39) - FRAMES AND BALLASTING

Схема запчастей Case IH 2280 - (39.100.08) - TOW BETWEEN REAR HITCH (39) - FRAMES AND BALLASTING
26
21
19
25
16
15
17
14
24
12
28
23
13
3
16
1
8
3
5
6
20
12
32
9
30
27
13
2
22
15
4
9
6
11
7
11
31
29
18
10
FIT
1:1
100%

Артикул

Название

Примечание

Количество

1

88959

BOLT,Hex, 3/8" - 16 x 3 1/2", Gr 5

2шт.

2

80702

WASHER,0.44" ID x 1" OD x 0.08" Thk

2шт.

3

86992215

LOCK NUT,1/2"-13, GC

5шт.

4

80700

WASHER,0.56" ID x 1.38" OD x 0.11" Thk

1шт.

5

412762A1

STRAP

2" x 44 1/2"

1шт.

6

9706716

BOLT,Hex, 1/2" - 13 x 2", Gr 5

5шт.

7

GD-919

PIN

draw, rear hitch

1шт.

8

419985A1

HAIR PIN COTTER

1/4" x 5"

1шт.

9

16505

BOLT,Hex, 1" - 8 x 2 1/2", Gr 5, Full Thd

4шт.

10

GL-164

HITCH

rear

1шт.

11

280980

NUT,7/16"-14, GC

2шт.

12

GL-610

HITCH PIN

rear

2шт.

13

88604

BOLT,Hex, 7/16" - 14 x 2 1/2", Gr 5

2шт.

14

GL-172

LIFT ARM

rear hitch

2шт.

15

280286

NUT,1"-8, GB

4шт.

16

88902

NUT,3/8"-16

3шт.

17

9635082

NUT,5/16" - 18, Gr 5

3шт.

18

GI-358

BRACKET

mount, hyd hose

1шт.

19

GI-359

HOLDER

hyd coupler - top

1шт.

20

9635884

BOLT,Hex, 5/16" - 18 1", Full Thd, Gr 5

3шт.

21

GH-119

SPACER

hose strap

2шт.

22

GH-136

PLATE

bolt

1шт.

23

86500692

BOLT,Hex, 3/8" - 16 x 3/4", Gr 8, Full Thd

1шт.

24

80664

WASHER,0.38" ID x 0.88" OD x 0.08" Thk

1шт.

25

GL-803

HITCH BRACKET

mount, rear

1шт.

Tow Behind with rear hitch

1шт.

26

GL-783

BRACKET

mount, terminator

1шт.

27

463-11024

SCREW,Hex Hd, #10-24 x 1 1/2"

1шт.

28

86632551

NUT,#10-24, GB

2шт.

29

8597

U-BOLT

us 1/4"-20 1 1/16" w 1 1/2" d GR2

1шт.

30

87361

WASHER,0.28" ID x 0.62" OD x 0.07" Thk

1шт.

31

280129

NUT,1/4"-20

1шт.

32

87601142

ELEC CONNECTOR,Female, 6 Cavities

electronic control unit

1шт.

Выбрано товаров: 33