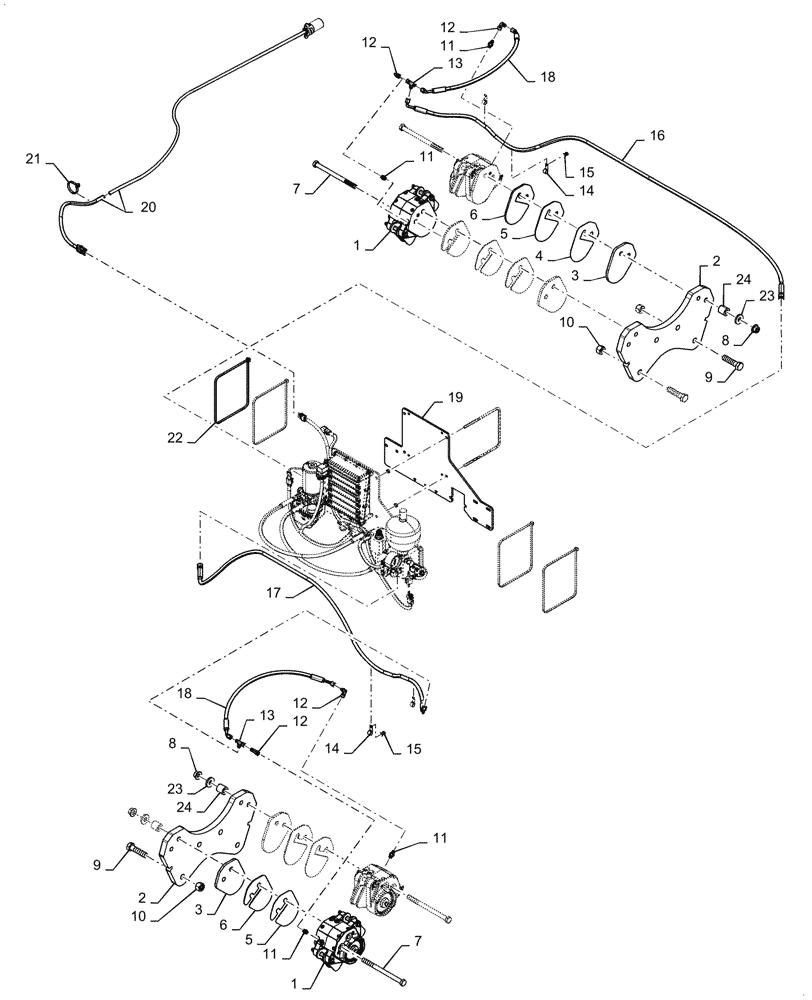
Запчасти Case IH 3555 (33.202.AX[01]) - REAR AXLE BRAKES W/ SINGLE TIRE (33) - BRAKES & CONTROLS

Схема запчастей Case IH 3555 - (33.202.AX[01]) - REAR AXLE BRAKES W/ SINGLE TIRE (33) - BRAKES & CONTROLS
7
18
20
13
12
22
8
19
6
16
13
3
18
1
14
15
3
1
11
12
9
4
12
2
24
6
7
11
17
15
8
11
5
14
11
23
2
5
12
21
24
23
11
9
10
10
FIT
1:1
100%

Артикул

Название

Примечание

Количество

1

47695029

CALIPER

Brake

4шт.

2

47733382

PLATE

Caliper Mounting

2шт.

3

47591939

SHIM

Brake Caliper

4шт.

4

47591932

SHIM

Brake Caliper

2шт.

5

47591934

SHIM

Brake Caliper

4шт.

6

47591936

SHIM

Brake Caliper

4шт.

7

47867743

BOLT

M16 x 220 12.9 Dor

8шт.

8

86512498

FLANGE NUT,M16 x 2, Cl 10

8шт.

9

382101

BOLT,Hex, M20 x 2.5 x 80mm, Cl 8.8

8шт.

10

725637

NUT,M20 x 2.5, Cl 8

8шт.

11

265235

HYD CONNECTOR,7/16" - 20 ORB x 7/16" - 20 JIC

4шт.

12

86512933

90 ELBOW,90 Degree, 7/16"-20, 37 Degree x 7/16"-20, 37 Degree Fem Sw

4шт.

13

86513653

TEE,7/16" - 20 JIC x 7/16" - 20 JIC x 7/16" - 20 JIC

2шт.

14

47756267

CLAMP,12.7mm, Coat, 7.1mm Bolt Hole, J Type

4шт.

15

47756303

RIVET

Pop 1/4 x 0.875 Gr1

4шт.

16

47770497

HYDRAULIC HOSE

from Caliper to Brake System (6.3 x 2050mm)

1шт.

17

47773797

HYDRAULIC HOSE

from Caliper to Brake System (6.3 x 1650mm)

1шт.

18

47706605

HYDRAULIC HOSE

from Tee to Caliper (6.3 x 700mm)

2шт.

19

47765992

MOUNT

Braking System

1шт.

20

47922304

WIRE HARNESS

Brakes, Air Cart

1шт.

21

87502038

CABLE TIE

Small

24шт.

22

87557086

CABLE TIE

Large

4шт.

23

122432

WASHER,17mm ID x 41mm OD x 6mm Thk

8шт.

24

47851705

SPACER

31.75 x 17.48 x 32 Plated

8шт.

25

47732726

WIRE HARNESS

Brake, Seed Toll Extension (Not Shown)

1шт.

26

47732724

WIRE HARNESS

Brakes, Tractor (Not Shown)

1шт.

27

47754708

CONTROLLER

In Cab Trailer Brake (Not Shown)

1шт.

28

47830690

MOUNT

Brake Controller (Not Shown)

1шт.

29

86511826

SCREW,Phillips Drive, Pan HD, M5 x 16mm

(Not Shown)

2шт.

30

2977215

NUT,M5 x 0.8, Cl 8

(Not Shown)

2шт.

31

7770

NUT,Hex, 1/4 - 20, Cl 5

(Not Shown)

4шт.

32

87526197

U-BOLT,1/4" - 20 x 1", Round, 1-1/8" W, 2" L

(Not Shown)

2шт.

Выбрано товаров: 32