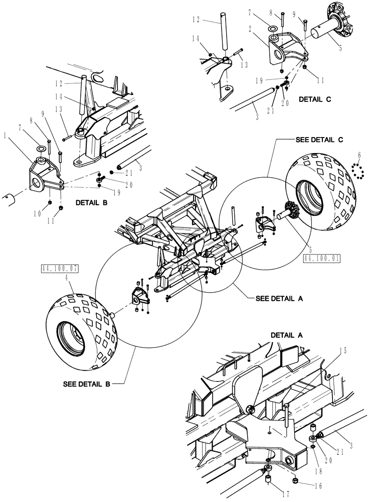
Запчасти Case IH 3580 (39.100.02) - FRONT AXLE ASSEMBLY (BSN - YCS015062) (39) - FRAMES AND BALLASTING

Схема запчастей Case IH 3580 - (39.100.02) - FRONT AXLE ASSEMBLY (BSN - YCS015062) (39) - FRAMES AND BALLASTING
21
9
8
21
3
13
5
17
11
12
20
21
1
18
7
15
10
4
3
3
14
8
11
6
44.100.01
44.100.07
12
5
7
20
19
14
19
9
2
16
20
13
FIT
1:1
100%

Артикул

Название

Примечание

Количество

1

84205381

HOUSING

4 1/2" Axle, RH

1шт.

Includes 87686077

1шт.

2

84205385

HOUSING

4 1/2" Axle, LH

1шт.

Includes 87686077

1шт.

3

84205409

TUBE,211 mm L

Tie Rod

2шт.

4

87506222

WHEEL ASSY

30.5lx32 r3 10h +0.0

2шт.

Refer to 44.100.07

1шт.

5

84213741

HUB ASSY w spindle

2шт.

Refer to 44.100.01

1шт.

6

429-2912

FLANGE NUT,Flg, 3/4"-16, G8

20шт.

7

4219

WASHER

2.062 ID 4.250 X 0.188

2шт.

8

280223

BOLT,Hex, 3/4"-10 x 6 1/2", G5

2шт.

9

426-1472

BOLT,Hex, 7/8" - 9 x 4-1/2", Gr 8

2шт.

10

280375

NUT,3/4"-10, GC

2шт.

11

280658

NUT,7/8"-9, GB

2шт.

12

84205400

PIN

50.8 mm x 461 mm ul

2шт.

14

86639566

NUT,5/8"-11, GB

2шт.

15

87490803

BOLT

Hex, 7/8"-9 x 7 1/2", G5

2шт.

17

84205418

SPACER

Spacer 28.58 mm od x 23.04 mm id x 20.5 mm Long

2шт.

18

86624165

WASHER,0.91" ID x 1.25" OD x 0.06" Thk

2шт.

19

84205416

SPACER

Spacer 28.58 mm od x 23.04 mm id x 9.5 mm Long

4шт.

20

84205404

END

Tie Rod, 22.225 mm id

4шт.

21

1460

JAM NUT

jam 7/8"

4шт.

Выбрано товаров: 23