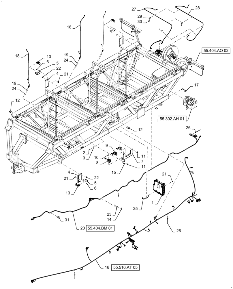
Запчасти Case IH 4765 (55.516.AA[05]) - 555, 580, 950 BUSHEL TOW BEHIND ELECTRICAL (55) - ELECTRICAL SYSTEMS

Схема запчастей Case IH 4765 - (55.516.AA[05]) - 555, 580, 950 BUSHEL TOW BEHIND ELECTRICAL (55) - ELECTRICAL SYSTEMS
26
26
22
4
10
17
21
24
24
8
27
28
12
30
7
19
18
5
2
21
12
18
55.404.ao 02
21
55.516.at 05
16
5
29
9
4
22
11
55.302.ah 01
25
13
14
13
20
1
15
23
55.404.bm 01
3
31
6
11
19
6
FIT
1:1
100%

Артикул

Название

Примечание

Количество

1

47632699

ECU

UCM2, 12V, STD8

1шт.

2

43117

SCREW,Hex, M6 x 1.0 x 30mm, Cl 8.8

4шт.

3

21675

WASHER,0.28" ID x 0.63" OD x 0.05" Thk, SST

4шт.

4

47675200

BRACKET

Aux Low Bin Sensor

2шт.

5

47596275

BRACKET

Low Bin Sensor

2шт.

6

120100

BOLT,M6 x 20mm, Cl 8.8

10шт.

7

47743845

BRACKET

Switch Mount, Multiple

1шт.

8

47739163

TOGGLE SWITCH

Calibration

1шт.

9

47737283

TOGGLE SWITCH

Meter

2шт.

10

8258

SELF-TAP SCREW,Phillips Drive, Pan Head, #8 - 32 x 3/8"

3шт.

11

68841

NUT,M8 x 1.25, Cl 8

8шт.

12

233381A1

U-BOLT,M10 x 1.5 x 73mm, Carbon Steel

4шт.

13

47625038

SENSOR

Motion, Autoguidance Override

2шт.

14

9827902

CLAMP,25.4mm, Coat, 10.3mm Bolt Hole, P Type

6шт.

15

47743844

BRACKET

Scale Hanger

1шт.

16

47625030

WIRE HARNESS

350 Bushel Tow Behind Cart

1шт.

See Fig 55.516.AT 05 For Service Parts

1шт.

17

47625040

CABLE

Negative, Inter Battery

1шт.

18

47480702

WIRE HARNESS

In Tank Sensors

2шт.

19

51200017

GASKET,25.4mm ID x 1.6mm Thk

Rubber

2шт.

20

47649220

WIRE HARNESS

Tow Behind Cart Lighting

1шт.

See Fig 55.404.BM 01 For Service Parts

1шт.

21

86619800

FLANGE NUT,M6 x 1, Cl 8

12шт.

22

100037

LOCK NUT,M10 x 1.5, Cl 8

8шт.

23

86628564

CLAMP,31.7mm, Coat, 10.3mm Bolt Hole, P Type

2шт.

24

5452

RIVET,Pop, 0.125" OD x 0.775" L

8шт.

25

635541

GROUND CABLE

1шт.

26

87557084

CABLE TIE,14"

24шт.

27

47846498

CABLE

Negative Battery

1шт.

28

47846499

CABLE

Positive Battery

1шт.

29

577927

CLAMP,12.7mm, Coat, 10.3mm Bolt Hole, P Type

3шт.

30

9804277

FLANGE NUT,Hex, M8 x 1.25, Cl 8

3шт.

31

84265306

CLAMP,47.6mm, Coat, 8.7mm Bolt Hole, P Type

1шт.

Выбрано товаров: 33