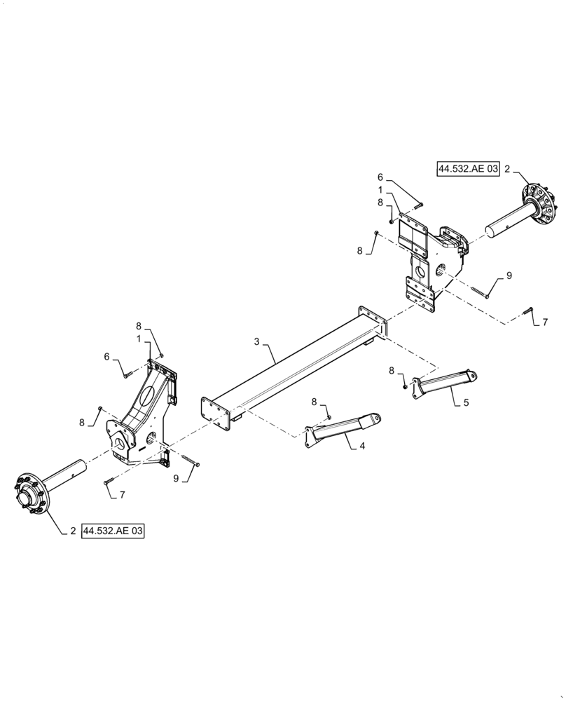
Запчасти Case IH 4765 (27.550.AJ[01]) - NARROW REAR AXLE WITH SINGLE TIRES (27) - REAR AXLE SYSTEM

Схема запчастей Case IH 4765 - (27.550.AJ[01]) - NARROW REAR AXLE WITH SINGLE TIRES (27) - REAR AXLE SYSTEM
5
44.532.ae 03
8
8
1
1
6
7
44.532.ae 03
6
4
8
3
8
9
8
7
2
8
9
2
FIT
1:1
100%

Артикул

Название

Примечание

Количество

1

47561066

HOUSING

Rear Axle, Single PTD

2шт.

2

47459894

HUB

Spindle

2шт.

See Fig 44.532.AE 03 For Service Parts

1шт.

3

47456794

FRAME

Rear Axle

1шт.

4

47537365

STRUT

LH Axle Brace

1шт.

5

47537368

STRUT

RH Axle Brace

1шт.

6

382101

BOLT,Hex, M20 x 2.5 x 80mm, Cl 8.8

28шт.

7

412346

BOLT,Hex, M20 x 2.5 x 90mm, Cl 8.8

4шт.

8

725637

NUT,M20 x 2.5, Cl 8

34шт.

9

380422

BOLT,Hex, M20 x 2.5 x 190mm, Cl 8.8

2шт.

Выбрано товаров: 10