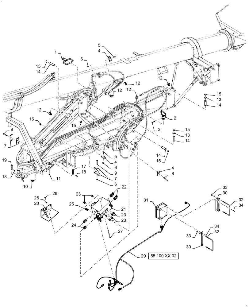
Запчасти Case IH 4765 (35.100.XX[02]) - AUGER HYDRUALICS 460/555/580 BUSHEL (35) - HYDRAULIC SYSTEMS

Схема запчастей Case IH 4765 - (35.100.XX[02]) - AUGER HYDRUALICS 460/555/580 BUSHEL (35) - HYDRAULIC SYSTEMS
27
7
3
32
11
15
5
12
1
18
15
14
4
2
33
6
20
9
12
30
12
32
34
22
7
6
13
15
18
33
4
9
19
17
30
14
34
14
14
29
12
23
23
25
10
12
16
55.100.xx 02
24
6
26
23
15
8
13
31
15
21
28
4
5
FIT
1:1
100%

Артикул

Название

Примечание

Количество

1

84271625

BRACKET

Hose Guide

1шт.

2

84583373

SUPPORT

Hose Guide Swivel

1шт.

3

87020818

LOCK PIN,1/4" OD x 2" OAL, Slotted

1шт.

4

86983984

CLAMP

Hose

3шт.

5

88044

BOLT,Hex, 3/8" - 16 x 1-1/2", Gr 5

2шт.

6

88902

NUT,3/8"-16

6шт.

7

CC-106

HOSE CLAMP

Hose

8шт.

8

80012047

BOLT,Hex, 3/8" - 16 x 4", Grade 5

1шт.

9

88444

BOLT,Hex, 3/8" - 16 x 2 3/4", Gr 5

3шт.

10

86512936

ELBOW,9/16" - 18 JIC x 7/16" - 20 ORB

1шт.

11

9672438

PLUG,7/16" - 20 ORB

1шт.

12

87329788

90 ELBOW,90 Degree, 9/16"-18, 37 Degree x 3/4"-16, O-Ring

5шт.

13

87325444

WASHER,1.02" ID x 1.5" OD x 0.07" Thk

2шт.

14

84361344

PIN

25.4 X 73.15

6шт.

15

87019495

SNAP RING,#98, Ext

12шт.

16

9479

PLUG

Breather

1шт.

17

87699214

CLEVIS PIN

.325 X 3.156"

1шт.

18

80755

COTTER PIN,1/8" OD x 1" L

2шт.

19

84224888

CLEVIS PIN

.625 X 2.696"

1шт.

20

47734997

SUPPORT

Valve Block Mount

1шт.

21

84556425

VALVE

Deluxe Auger Control

1шт.

22

330344

45 ELBOW,1-1/16" - 12 JIC x 1-1/16" - 12 ORB

2шт.

23

84555687

HYD CONNECTOR

37FL X 6-8

6шт.

24

322896

HYD CONNECTOR,1-1/16" - 12 ORB x 1-1/16" - 12 JIC

2шт.

25

367841A1

ELBOW

Orifice

1шт.

26

83918746

WASHER,0.34" ID x 0.69" OD x 0.07" Thk

2шт.

27

412110

BOLT,Hex, M8 x 1.25 x 170mm, Cl 8.8

2шт.

28

86629542

NUT,M8 x 1.25, Cl 8.8

2шт.

29

47697609

WIRE HARNESS

Air Cart

1шт.

30

47705045

BRACKET

Reciever Mount

2шт.

31

84536987

PACKAGE

10 Function Transmitter & Receiver

1шт.

31

84535710

MODULE

10 Function Transmitter Only

1шт.

31

84535715

PACKAGE

10 Function Receiver Only

1шт.

32

47818624

U-BOLT

M8

2шт.

33

9706690

NUT,M8 x 1.25, Cl 8

4шт.

34

8258

SELF-TAP SCREW,Phillips Drive, Pan Head, #8 - 32 x 3/8"

8шт.

Выбрано товаров: 36