Запчасти Case IH 3200 (75.200.01) - 1-INLINE TRANSPORT ATTACHMENT (75) - SOIL PREPARATION

Схема запчастей Case IH 3200 - (75.200.01) - 1-INLINE TRANSPORT ATTACHMENT (75) - SOIL PREPARATION
31
33
39
13
40
16
10
32
33
39
41
35
5
30
33
36
37
37
15
33
36
7
31
39
6
42
33
42
38
33
4q
30
9
11
2
14
40
11
31
12
13
17
31
8
14
3
FIT
1:1
100%

Артикул

Название

Примечание

Количество

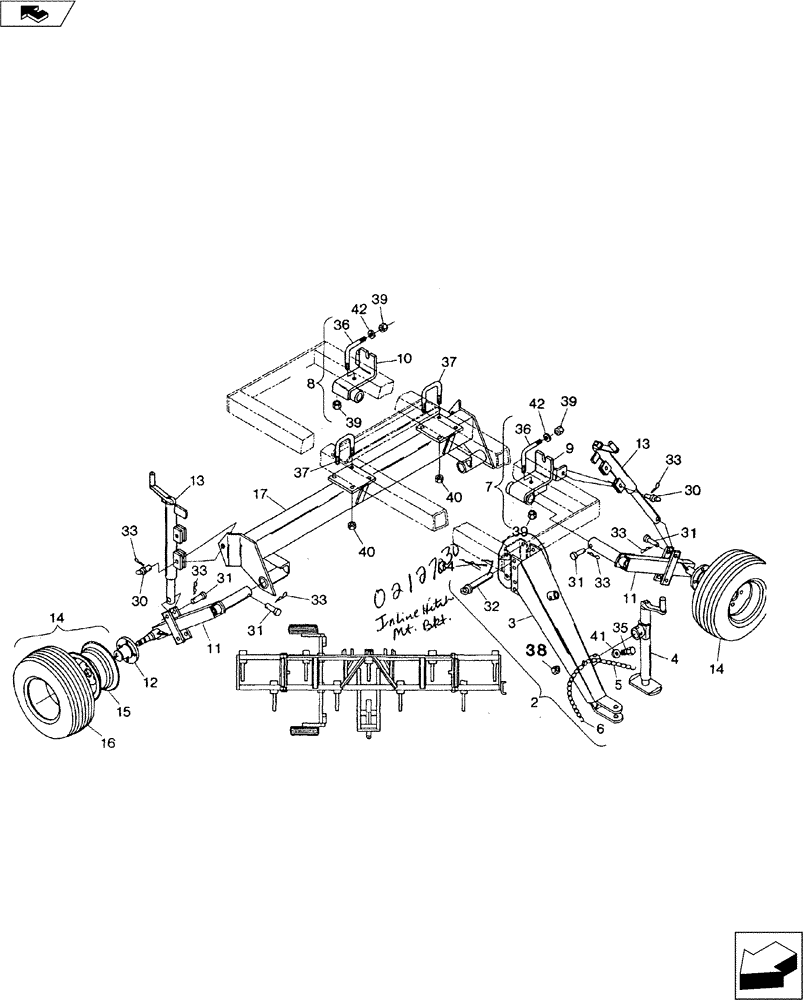
1

02362000

Inline Transport Attachment

1шт.

2

02361000

Inline

1шт.

3

02361100

Inline

1шт.

4

32220000

JACK

See Fig. 39.110.01

1шт.

5

01059080

CHAIN

Safety, Includes Ref. 6

1шт.

6

22004001

2шт.

7

02361900

RH Gauge w/Hardware

1шт.

8

02361800

LH Gauge w/Hardware

1шт.

9

02361500

BRACKET

RH Gauge Wheel

1шт.

10

02361700

NUT

LH Gauge Wheel Bracket

1шт.

11

02361600

SPINDLE

Arm With Hub

2шт.

12

28163300

HUB ASSY.

Q-633 See Fig. 44.100.01

2шт.

13

02295000

See Fig. 39.110.02

2шт.

14

10005146

LAND WHEEL

7.50 x 14 Tire and Assembly

2шт.

15

10105146

LAND WHEEL

5 x 14 4 - Hole

2шт.

16

11007142

TIRE TUBE

7.5 x 14 4- Ply

2шт.

17

02361400

Inline Transport

1шт.

30

14810095

SPECIAL PIN

5/8 Dia. x 1-1/8" El Clevis

2шт.

31

14810251

HEADED PIN,15.88mm OD x 96.77mm L

5/8 Dia. x 3-1/8" El Clevis

4шт.

32

14812655

CLEVIS

3/4 Dia. x 8-3/16" El Pin

2шт.

33

NSS

NOT SOLD SEPARAT

1/8 x 2" Lg. Hairpin

6шт.

34

NSS

NOT SOLD SEPARAT

3/16 x 3" Lg. Hairpin

2шт.

35

NSS

NOT SOLD SEPARAT

3/8 x 1- 1/2" NC Cap Screw

1шт.

36

16512470

SPECIAL BOLT

3/4 x 5-11/16

2шт.

37

16310011

U-BOLT

BOLT "U" 5/8 x 4 x 5-1/2

4шт.

38

NSS

NOT SOLD SEPARAT

3/8 NC Hex. Nut

1шт.

39

NSS

NOT SOLD SEPARAT

3/4 NC Hex. Nut

4шт.

40

NSS

NOT SOLD SEPARAT

5/8 NC Hex. Nut

8шт.

41

NSS

NOT SOLD SEPARAT

3/8" Std. Washer

1шт.

42

17413011

WASHER

3/4" I.D. x 0.24 Thk.

2шт.

Выбрано товаров: 0