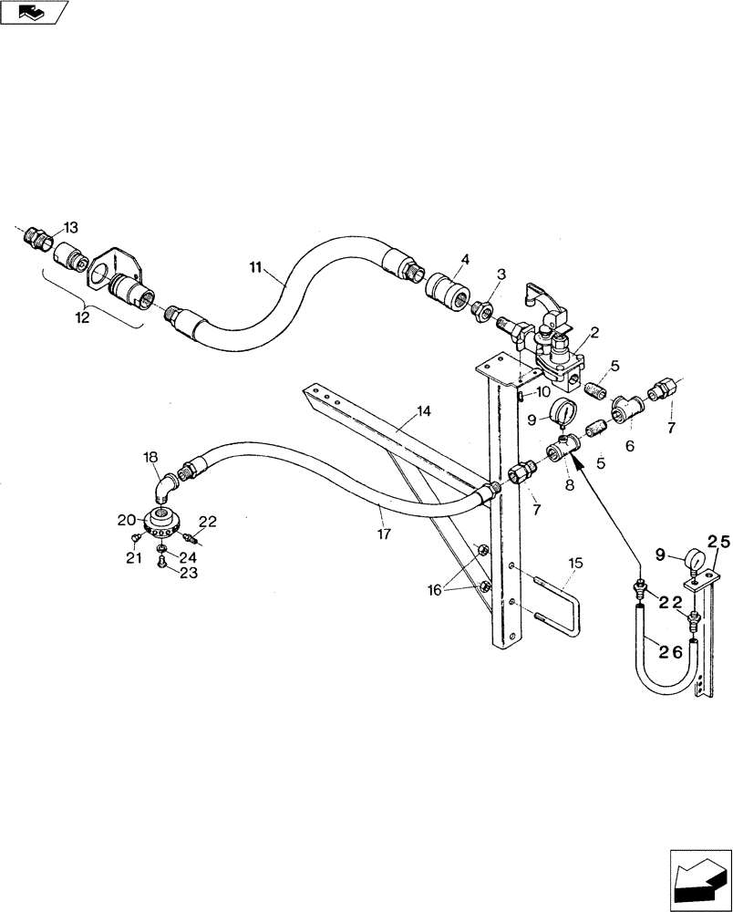
Запчасти Case IH 3200 (75.200.11) - SINGLE CONTINENTAL BUNDLE WITH. (2) MANIFOLD (75) - SOIL PREPARATION

Схема запчастей Case IH 3200 - (75.200.11) - SINGLE CONTINENTAL BUNDLE WITH. (2) MANIFOLD (75) - SOIL PREPARATION
12
10
5
9
11
9
15
14
16
3
7
8
21
2
24
23
6
18
20
26
5
22
7
22
4
25
17
13
FIT
1:1
100%

Артикул

Название

Примечание

Количество

2

34104101

1шт.

2

34104100

ROTARY DIVIDER

C-4100 R6572 Cont. w/Actuator

1шт.

3

15031259

ADAPTER

1-1/4 x 1 Bushing

1шт.

4

15071251

ADAPTER

1-1/4 Pipe. Double Strength

1шт.

5

15011000

FITTING

1" NPT X 1-1/2" Lg.

2шт.

6

15051001

1" Pipe

1шт.

7

15081006

COUPLING

1" Pipe

2шт.

8

15051003

TEE

1" x 1" x 1/4" NPT

1шт.

9

34599060

GAUGE

Pressure 0-60 PSI

1шт.

10

NSS

NOT SOLD SEPARAT

5/16" x 3/4" NC Capscrew

2шт.

11

25675320

HOSE,1.25" ID x 32.00"

1шт.

12

02600040

FITTING

1-1/4" Quick Coupler Assembly, See Fig. 35.850.01

1шт.

13

34314100

FITTING

1 3/4" x 1-1/4" NPTM

1шт.

14

02130000

1шт.

15

16310011

U-BOLT

BOLT "U" 5/8" x 4" x 5-1/2"

1шт.

16

NSS

NOT SOLD SEPARAT

5/8" NC Hex. Nut

2шт.

17

25674960

1" AA x 104" Lg.

2шт.

17

25674120

1" AA x 144" Lg.

2шт.

18

15001002

FITTING

1" NPT 90 Street

2шт.

20

34199024

VENT MANIFOLD

Cont. - 14 Outlets

2шт.

21

15020250

PLUG

1/4" NPT

1шт.

22

15040251

HYD CONNECTOR

1/4" NPT x 3/8" Hose Barb

1шт.

22

15040252

FITTING,1/2" Hose Barb x 1/4" - 18 NPT

1/4" NPT x 1/2" Hose Barb

1шт.

23

NSS

NOT SOLD SEPARAT

1/2" x 3/4" NC Capscrew

2шт.

24

NSS

NOT SOLD SEPARAT

1/2" Lockwasher

2шт.

25

04631200

SUPPORT

Hose & Gauge

1шт.

26

25630600

HOSE

3/8" I.D. AA

1шт.

26

25630800

1/2" I.D. AA

1шт.

Выбрано товаров: 0