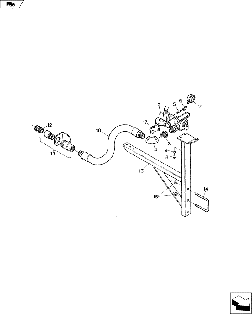
Запчасти Case IH 3200 (75.200.13) - SINGLE SQUIBB BUNDLE (75) - SOIL PREPARATION

Схема запчастей Case IH 3200 - (75.200.13) - SINGLE SQUIBB BUNDLE (75) - SOIL PREPARATION
17
6
11
3
13
5
16
2
14
15
10
7
9
4
12
8
FIT
1:1
100%

Артикул

Название

Примечание

Количество

1

02400082

Includes Ref. 2-9

1шт.

2

34108011

See Fig. 35.106.04

1шт.

3

15031259

ADAPTER

1-1/4" x 1" Reducer Bushing

1шт.

4

15061259

1-1/4" NPT 90° Double Strength

1шт.

5

15010251

LUBE NIPPLE,1/4" NPT x 1-1/2" L

1/4" NPT X 1-1/2" Lg.

1шт.

6

15060254

1/4" NPT 45°

1шт.

7

34599060

GAUGE

Pressure 0-60 PSI

1шт.

8

NSS

NOT SOLD SEPARAT

3/8 x 1-1/2 NC Cap Screw

2шт.

9

NSS

NOT SOLD SEPARAT

3/8" NC Hex. Nut

2шт.

10

25675320

HOSE,1.25" ID x 32.00"

1шт.

11

02600040

FITTING

1-1/4" Quick Coupler Assembly, See Fig. 35.850.01

1шт.

12

34314100

FITTING

1-3/4" Acme x 1-1/4" NPTM

1шт.

13

02130000

1шт.

14

16310011

U-BOLT

BOLT "U" 5/8 x 4 x 5-1/2

1шт.

15

NSS

NOT SOLD SEPARAT

5/8 NC Hex. Nut

2шт.

16

15020250

PLUG

1/4" NPT

1шт.

17

15040251

HYD CONNECTOR

1/4" NPT x 3/8" Hose Barb

1шт.

17

15040252

FITTING,1/2" Hose Barb x 1/4" - 18 NPT

1/4" NPT x 1/2" Hose Barb

1шт.

Выбрано товаров: 0