Запчасти Case IH DRY (A-134) - DRY FERTILIZERS, DRY FERTILIZER HOPPER AND SUPPORTS, FOR FOUR-ROW PLANTERS

Схема запчастей Case IH DRY - (A-134) - DRY FERTILIZERS, DRY FERTILIZER HOPPER AND SUPPORTS, FOR FOUR-ROW PLANTERS
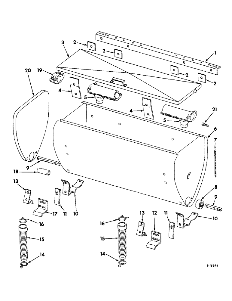
20
17
6
18
10
19
13
10
12
4
15
14
2
2
3
11
11
14
1
5
13
15
7
16
21
9
2
8
2
5
9
16
4
FIT
1:1
100%

Артикул

Название

Примечание

Количество

1

472428R2

ANGLE, lift rod bracket

2шт.

17140R1

CARRIAGE BOLT,Short Nk, 1/2" - 13 x 1 1/4", Gr 2, Full Thd

BOLT, 1/2 x 1-1/4 in. C-Z sq-nk crg

8шт.

120378

NUT,Hex, 1/2" - 13, Gr 5

NUT, 1/2"-13, G5

8шт.

120384

WASHER,1/2"

LOCK, 1/2"

8шт.

2

472429R1

BAR

PAD, hopper

4шт.

3

472401R11

LID ASSEMBLY, hopper

1шт.

12235R1

PIN, 1/8 x 3/8 C-Z cot 1/8" x 5/8"

2шт.

4

472407R1

REINFORCEMENT, hopper

2шт.

5

472416R2

HOUSING

auger feed

2шт.

12872R1

BOLT,Short NK, 5/16"-18 x 1", G2, Full Thd

CARRIAGE, Short NK, 5/16"-18 x 1", G2, Full Thd

8шт.

120376

NUT,5/16"-18, G5

8шт.

80681

LOCK WASHER,5/16"

WASHER, LOCK, 5/16"

8шт.

134238R1

WASHER

11/32 x 1 in. x 16 ga C-Z

8шт.

6

472398R91

HOPPER

ASSY, 1963 - 1965, order 479179R93 and 2 spring 479124R1

1шт.

6

479179R93

HOPPER

ASSY, 1965 and since

1шт.

7

622125R1

SPRING

hopper hold down, Serial Range: 1963-1965

2шт.

7

479124R1

VALVE SPRING

SPRING, hopper hold down, 1965 and since

2шт.

8

472417R1

BEARING

auger

2шт.

9

472412R4

SHAFT

auger feed

1шт.

187988

COTTER PIN,3/16" x 1 1/4"

PIN, SPLIT (COTTER), 3/16" x 1 1/4"

6шт.

961605R1

PIN

5/16 x 3-1/2 in. slt-spring

1шт.

10

472409R1

BOLSTER

SUPPORT, hopper lower

2шт.

18707R1

CARRIAGE BOLT,Short Sq Nk, 1/2" - 13 x 1", Gr 2

BOLT, 1/2 x 1 in. C-Z short sq-nk crg

4шт.

120378

NUT,Hex, 1/2" - 13, Gr 5

NUT, 1/2"-13, G5

4шт.

120384

WASHER,1/2"

LOCK, 1/2"

4шт.

11

472410R1

RETAINER, tank

2шт.

17140R1

CARRIAGE BOLT,Short Nk, 1/2" - 13 x 1 1/4", Gr 2, Full Thd

BOLT, 1/2 x 1-1/4 in. C-Z sq-nk crg

2шт.

120378

NUT,Hex, 1/2" - 13, Gr 5

NUT, 1/2"-13, G5

2шт.

120384

WASHER,1/2"

LOCK, 1/2"

2шт.

178373R1

WASHER

17/32 x 1 in. x 16 ga C-Z

2шт.

12

472405R1

HINGE, hopper frame outer

1шт.

17140R1

CARRIAGE BOLT,Short Nk, 1/2" - 13 x 1 1/4", Gr 2, Full Thd

BOLT, 1/2 x 1-1/4 in. C-Z sq-nk crg

2шт.

120378

NUT,Hex, 1/2" - 13, Gr 5

NUT, 1/2"-13, G5

2шт.

120384

WASHER,1/2"

LOCK, 1/2"

2шт.

178373R1

WASHER

17/32 x 1 in. x 16 ga C-Z

2шт.

13

472406R1

BRACKET, hinge

2шт.

17452R1

BOLT,Hex, 1/2"-13 x 1 1/4", G2

1/2 x 1-1/4 in. C-Z mach

4шт.

18496R1

BOLT,Hex, 1/2"-13 x 1 1/2", G2

1/2 x 1-1/2 in. C-Z mach

4шт.

120378

NUT,Hex, 1/2" - 13, Gr 5

NUT, 1/2"-13, G5

4шт.

13042R1

AXLE PIN,1/8" x 3/4"

Pin, Split (Cotter), , self-opening 1/8" x 3/4"

2шт.

W6571

PIN, 3/8 x 1-11/16 in. std-hd

2шт.

120384

WASHER,1/2"

LOCK, 1/2"

4шт.

14

481967R1

CLIP

hose lower, 1 per row, for runner opener

1шт.

19428R1

BOLT, 5/16 x 5/8 C-Z sq-nk crg

1шт.

120376

NUT,5/16"-18, G5

1шт.

80681

LOCK WASHER,5/16"

WASHER, LOCK, 5/16"

1шт.

619855R1

WASHER

11/32 x 3/4 x 16 ga C-Z

1шт.

14

626441R1

CLIP

hose lower, 1 per row, for double disk opener

1шт.

610784R1

SPLIT PIN/SAFETY PIN,2.4mm OD x 60.345mm OAL

PIN, quick attachable cotter

1шт.

15

492853R91

SET

PACKAGE, fertilizer hose, one per row, 30 corrugations, double disk opener, consists of (1) clamp 860200R1, (1) clip 626441R1, (1) hose 472426R2 (NSS), (1) pin 610784R1

1шт.

15

492852R91

TUBE

PACKAGE, fertilizer hose, one per row, 43 corrugations, runner opener, consists of (1) bolt 19428R1, (1) clamp 860200R1, (1) clip, 481967R1, (1) hose 482578R1 (NSS), (1) nut 120376, (1) washer 120214, (1) washer 619855R1

1шт.

16

860200R1

HOSE CLAMP,#36, 2 1/4", Spring

CLAMP, hose upper, 1 per row

1шт.

17

472404R1

HINGE, hopper frame inner

1шт.

17140R1

CARRIAGE BOLT,Short Nk, 1/2" - 13 x 1 1/4", Gr 2, Full Thd

BOLT, 1/2 x 1-1/4 in. C-Z sq-nk crg

2шт.

120378

NUT,Hex, 1/2" - 13, Gr 5

NUT, 1/2"-13, G5

1шт.

120384

WASHER,1/2"

LOCK, 1/2"

2шт.

18

472414R1

COUPLING

auger, long

1шт.

19471R1

PIN, SPLIT (COTTER),1/4" x 1 3/4"

1шт.

520177R1

PIN

quick attachable cotter

1шт.

18

472415R1

SPACER

COUPLING, auger, short

1шт.

For narrow row dry fertilizer attachment, high rate and low rate.

1шт.

19

480968R1

SPACER

auger housing, will work for 473574R1

1шт.

For narrow row dry fertilizer attachment, high rate and low rate.

1шт.

18674R1

BOLT,Short NK, 5/16"-18 x 1 1/2", G2

5/16 x 1-1/2 in. C-Z crg

2шт.

120376

NUT,5/16"-18, G5

2шт.

80681

LOCK WASHER,5/16"

WASHER, LOCK, 5/16"

2шт.

134238R1

WASHER

11/32 x 1 in. x 16 ga C-Z

2шт.

20

472400R2

DIVIDER, fertilizer hopper center, as divider into hopper assy 479179R92

1шт.

21

472403R1

BOLT, lid spring, Serial Range: 1963-1965

2шт.

102635

NUT,3/8"-16, G5

2шт.

103321

LOCK WASHER,3/8"

WASHER, LOCK, 3/8"

2шт.

Выбрано товаров: 71