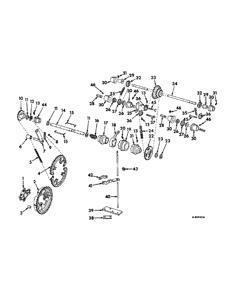
Запчасти Case IH DRY (A-093) - DRY FERTILIZERS, DRIVE UNIT

Схема запчастей Case IH DRY - (A-093) - DRY FERTILIZERS, DRIVE UNIT
28
7
33
41
36
26
4
27
38
26
43
12
42
9
35
13
16
15
30
10
36
35
26
23
19
20
11
1
14
30
11
3
32
46
36
30
17
46
5
13
13
27
2
37
29
46
8
6
29
46
13
30
34
22
21
24
30
45
44
31
31
25
40
45
28
32
15
18
11
39
30
26
23
FIT
1:1
100%

Артикул

Название

Примечание

Количество

1

518101R2

HUB, tractor axle sprocket, for use with Farmall 460, 504, 560 and tractors

1шт.

19475R1

BOLT,Hex, 1/2" - 13 x 3 1/4", Gr 2

1/2 x 3-1/4 C-Z hex-hd mach

2шт.

120378

NUT,Hex, 1/2" - 13, Gr 5

NUT, 1/2"-13, G5

2шт.

120384

WASHER,1/2"

LOCK, 1/2"

2шт.

1

473491R91

HUB, tractor axle sprocket, for use w/Farmall 706, 806 & 1206 tractors

1шт.

18498R1

BOLT,Hex, 1/2" - 13 x 3 1/2", Gr 2

1/2 x 3-1/2 C-Z hex-hd mach

2шт.

120378

NUT,Hex, 1/2" - 13, Gr 5

NUT, 1/2"-13, G5

2шт.

2

484246R1

SPROCKET, main drive tractor axle, for use with Farmall 460, 504, 560, 656, 706, 806 and 1206 tractors

1шт.

18910R1

BOLT, 3/8 x 2 C-Z sq-hd mach

6шт.

120377

NUT,3/8" - 16, Gr 5

6шт.

120382

LOCK WASHER,Helical Spring, 3/8"

WASHER, LOCK, 3/8"

6шт.

3

P13335

SPACER,1/2" Pipe x 2 1/2"

tractor axle sprocket, for use w/international 504 tractors

4шт.

663106R1

SPECIAL NUT

NUT, 9/16-18 CDP hex

4шт.

484254R1

SCREW, 9/16 x 5-1/4 C-Z hex-hd cap

4шт.

121458

STUD

WASHER, 19/32 x 1-3/16 x 13 ga C-Z

8шт.

4

484253R1

SPROCKET, main drive tractor axle, two halves, for use with international 504 tractor

1шт.

18495R1

BOLT,Hex, 3/8" - 16 x 1 1/4", Gr 2

3/8 x 1-1/4 C-Z hex-hd mach

2шт.

120377

NUT,3/8" - 16, Gr 5

2шт.

120382

LOCK WASHER,Helical Spring, 3/8"

WASHER, LOCK, 3/8"

2шт.

5

CHAIN, tractor rear axle sprocket, use 91 of no. 42 steel chain from a 10 ft. roll marked, CS-42

1шт.

CHAIN, extra links, use 4 links of no. 42 steel chain from a 10 ft roll marked, CS-42

1шт.

6

468417R1

ROLLER

chain adjuster

1шт.

7

484234R91

ADJUSTER ASSY, main chain

1шт.

18778R1

SCREW,Hex, 3/8"-16 x 3/4", G2

BOLT, 3/8-16 x 3/4 C-Z hex-hd mach

1шт.

120377

NUT,3/8" - 16, Gr 5

1шт.

21632R1

COTTER PIN

PIN, 3/16 x 1 C-Z self-opening cot

2шт.

120382

LOCK WASHER,Helical Spring, 3/8"

WASHER, LOCK, 3/8"

1шт.

178372R1

WASHER

13/32 x 1-1/4 x 16 ga C-Z

1шт.

130999

WASHER,5/8"

11/16 x 1-3/4 x 10 ga C-Z

2шт.

8

556587R1

SPACER

adjuster arm bar pivot

1шт.

9

119057H

SPRING, chain adjuster

1шт.

10

484230R1

SPROCKET, main drive, 10T

1шт.

21977R1

PIN, 1/8 x 5/8 C-Z self-opening cot

1шт.

21956R1

HEADED PIN,1/4" x 2 1/4"

PIN, 1/4 x 2-1/4 C-Z std-hd

1шт.

11

589937R1

WASHER

29/32 x 1-3/4 x 16 ga

4шт.

12

481810R1

WASHER

flanged

2шт.

13

66584D

FITTING

3/16 str drive type lub

6шт.

14

484229R1

ROD, fertilizer main drive

1шт.

21635R1

PIN, 1/4 x 1-1/4 C-Z self-opening cotter

2шт.

15

PO23196

KEY

clutch

2шт.

16

269182R1

SPRING

clutch

1шт.

21635R1

PIN, 1/4 x 1-1/4 C-Z self-opening cotter

1шт.

17

472334R3

DRIVE ASSY.

DRIVE, clutch

1шт.

18

473332R3

CAM, clutch

1шт.

19

472333R2

BEARING

clutch

1шт.

479139R1

THRUST WASHER

clutch thrust

1шт.

20

19700R91

FITTING

3/16 in. 45 degree angle drive type lubrication

1шт.

21

484199R1

BLOCK DRIVER

DRIVER, sprocket bearing

1шт.

22

484196R2

SPROCKET ASSY.

SPROCKET, fertilizer drive, 17T

1шт.

22

484197R2

SPROCKET ASSY.

SPROCKET, fertilizer drive, 12T

1шт.

22

484198R1

SPROCKET, fertilizer drive, 9T

1шт.

23

21875R1

WASHER

29/32 x 2 x 16 ga C-Z

2шт.

24

CHAIN, drive, use 39 links of 1 in. extended pitch agricultural transmission roller chain from a 10 ft. roll marked 569088R91, one connecting link 457113R91 and one offset link 457114R91

1шт.

25

484233R91

ADJUSTER ASSY, chain

1шт.

21632R1

COTTER PIN

PIN, 3/16 x 1 C-Z self-opening cot

1шт.

26

472432R1

BUSHING

drive shaft

4шт.

27

484238R1

SPROCKET, fertilizer drive, 8T

2шт.

28

484237R1

ROD, fertilizer center

2шт.

187988

COTTER PIN,3/16" x 1 1/4"

PIN, SPLIT (COTTER), 3/16" x 1 1/4"

2шт.

21761R1

WASHER

29/32 x 1-1/2 x 16 ga C-Z

2шт.

29

483535R1

BUSHING

fertilizer drive rod

2шт.

137268

KNIFE

3/16 x 2-1/4 C-Z cot

2шт.

30

472431R1

COLLAR

BEARING, fertilizer drive shaft

6шт.

31

219-37

LUBE NIPPLE,45 Degree Elbow, 1/4" - 28 NPTF

FITTING, 1/4 x 45 deg lub

2шт.

32

484232R1

SPROCKET, fertilizer drive, 8T

2шт.

112726

COTTER PIN,1/16" x 1/2"

PIN, SPLIT (COTTER), 1/16" x 1/2"

1шт.

23668R1

CLEVIS PIN,3/16" x 1 3/4"

PIN, CLEVIS, , Rod end 3/16" x 1 3/4"

1шт.

432-1232

COTTER PIN,3/16" OD x 2" L

3/16" x 2"

4шт.

33

483537R1

SPROCKET ASSY.

SPROCKET, fertilizer drive, 11, 15 and 18T

1шт.

34

484231R1

ROD, fertilizer drive

1шт.

35

CHAIN, hopper drive, use 19 links of 1 in. extended pitch agricultural transmission roller chain from a 10 ft. roll marked 569088R91, one connecting link 457113R91 and one offset link 457114R91

2шт.

36

472344R2

DRIVE SPROCKET

SPROCKET, idler, 6T

4шт.

37

19475R1

BOLT,Hex, 1/2" - 13 x 3 1/4", Gr 2

1/2-13 x 3-1/4 C-Z hex-hd mach

1шт.

120238

JAM NUT,Jam, 1/2"-13, G5

1/2-13 C-Z hex jam

2шт.

178374R1

WASHER

17/32 x 1-1/4 x 16 ga C-Z

2шт.

38

458432R1

BAR, throw-out

1шт.

18813R1

BOLT,Hex, 1/2" - 13 x 4", Gr 2

1/2-13 x 4 C-Z hex-hd mach

2шт.

120378

NUT,Hex, 1/2" - 13, Gr 5

NUT, 1/2"-13, G5

2шт.

120384

WASHER,1/2"

LOCK, 1/2"

2шт.

39

475469R1

PLATE, throw-out rod

1шт.

40

475468R1

ROD, throw-out

1шт.

21628R1

PIN

1/8 x 3/4 C-Z self-opening cotter

3шт.

469668R1

WASHER

13/32 x 3/4 x 16 ga C-Z

2шт.

41

484257R1

BRACKET, throw-out, when using two point or three point hitch

1шт.

42

484480R1

CLAMP, throw-out, when using two point or three point hitch

1шт.

18475R1

BOLT,Hex, 5/16" - 18 x 1 1/4", Gr 2

5/16 x 1-1/4 C-Z hex-hd mach

2шт.

18767R1

BOLT,Hex, 5/16"-18 x 2", G2

5/16 x 2 C-Z hex-hd mach

2шт.

18769R1

BOLT,Hex, 5/16" - 18 x 2 1/2", Gr 2

5/16 x 2-1/2 C-Z hex-hd mach

2шт.

120376

NUT,5/16"-18, G5

2шт.

80681

LOCK WASHER,5/16"

WASHER, LOCK, 5/16"

2шт.

43

517951R11

WEAR PAD

COLLAR ASSY, throw-out rod

1шт.

22214R1

SCREW, 5/16 x 3/8 C-Z sq-hd cup-pt set

1шт.

44

481812R11

BEARING ASSY

W/BUSHING, main drive end

1шт.

21632R1

COTTER PIN

PIN, 3/16 x 1 C-Z self-opening cot

1шт.

45

18811R1

BOLT,Hex, 1/2" - 13 x 2 3/4", Gr 2

1/2-13 x 2-3/4 C-Z hex-hd mach, for use w/Farmall 460, 504, 560 and 656 tractors

2шт.

120238

JAM NUT,Jam, 1/2"-13, G5

1/2-13 C-Z hex jam

4шт.

178374R1

WASHER

17/32 x 1-1/4 x 16 ga C-Z

4шт.

46

16964R91

FITTING

1/4-28 NS 90 deg lub

4шт.

Выбрано товаров: 0