Запчасти Case IH DRY (A-151) - DRY FERTILIZERS, DRIVE UNIT, MACHINES BUILT 1963 TO 1965

Схема запчастей Case IH DRY - (A-151) - DRY FERTILIZERS, DRIVE UNIT, MACHINES BUILT 1963 TO 1965
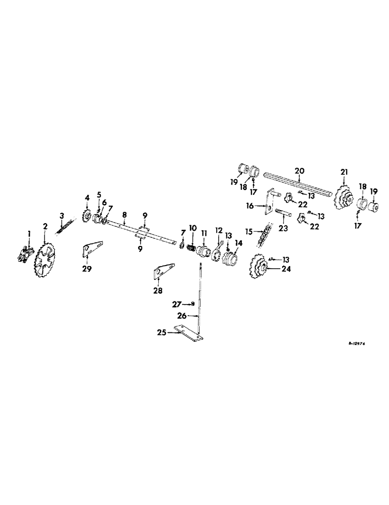
3
7
24
19
13
12
9
5
13
7
8
25
18
22
15
27
20
13
18
29
9
28
1
21
22
23
19
11
4
16
14
13
2
26
17
6
17
10
FIT
1:1
100%

Артикул

Название

Примечание

Количество

1

518101R2

HUB, tractor axle sprocket, for use with Farmall 460, 504, 560, and 656 tractor

1шт.

17650R1

BOLT, 1/2 x 3-1/4 in. mach

2шт.

102637

NUT,1/2"-13, G5

2шт.

103323

LOCK WASHER,1/2"

WASHER, LOCK, 1/2"

2шт.

1

473491R91

HUB, tractor axle sprocket, for use with Farmall 706, 806, and 1206 tractors

1шт.

17675R1

BOLT, 1/2 x 3-1/2 in. mach

2шт.

102637

NUT,1/2"-13, G5

2шт.

2

518102R1

SPROCKET, tractor axle drive, 32T

1шт.

13336R1

BOLT, 3/8 x 2 in. mach

6шт.

102635

NUT,3/8"-16, G5

6шт.

103321

LOCK WASHER,3/8"

WASHER, LOCK, 3/8"

6шт.

3

CHAIN, tractor rear axle sprocket drive, use 88 no. 42 steel links from a 10 ft roll no. CS-42

1шт.

CHAIN, extra links, use 4 no. 42 steel links

1шт.

4

475461R1

SPROCKET, 10T

1шт.

13034R1

PIN, 1/8 x 5/8 in. self-opening cot

1шт.

Q1404

AXLE PIN

PIN, 1/4 x 2-1/4 in. dld-std-hd

1шт.

5

443567

LUBE NIPPLE,1/4" x .56 lg, Drive

FITTING, 1/4 in. drive type straight lubrication

1шт.

6

625050R1

BEARING, end

1шт.

7

21868V

WASHER

29/32 x 1-1/2 x 16 ga

1шт.

8

475414R2

COUNTERSHAFT

1шт.

9

PO23196

KEY

clutch

2шт.

10

269182R1

SPRING

clutch, replaces 460611R1

1шт.

13095R1

PIN,1/4" x 1 1/4"

Split (Cotter), 1/4" x 1 1/4"

1шт.

11

472334R3

DRIVE ASSY.

DRIVE, clutch

1шт.

12

472332R3

CAM

clutch

1шт.

13

66584D

FITTING

3/16 in. drive type straight lubrication

4шт.

14

472333R2

BEARING

clutch

1шт.

479139R1

THRUST WASHER

clutch thrust

1шт.

15

CHAIN, drive, use 44 links of 1 in. extended pitch agriculture roller chain from a 10 ft roll marked 569088R91 and one connecting link 457113R91

1шт.

16

475465R91

BRACKET

TIGHTENER, chain

1шт.

13068R1

PIN,3/16" x 1"

Split (Cotter), , self-opening 3/16" x 1"

1шт.

17

219-37

LUBE NIPPLE,45 Degree Elbow, 1/4" - 28 NPTF

FITTING, 1/4 x 45 deg angle lub

2шт.

18

472431R1

COLLAR

BEARING, fertilizer drive shaft

2шт.

19

483535R1

BUSHING

drive shaft

2шт.

20

475470R1

SHAFT, drive

1шт.

21

483537R1

SPROCKET ASSY.

SPROCKET, driven, 8, 9, 15 and 18T

1шт.

102893

SCREW, 3/8 x 5/8 in. sq-hd cup-pt set

1шт.

22

472344R2

DRIVE SPROCKET

SPROCKET, idler, 6T

2шт.

23

475464R1

SHAFT

chain tightener long

1шт.

102637

NUT,1/2"-13, G5

1шт.

114505

JAM NUT,Jam, 1/2"-13, G5

1шт.

13068R1

PIN,3/16" x 1"

Split (Cotter), , self-opening 3/16" x 1"

1шт.

103323

LOCK WASHER,1/2"

WASHER, LOCK, 1/2"

1шт.

12026R1

WASHER

17/32 x 1-1/4 in. x 16 ga

2шт.

24

475460R1

SPROCKET, drive, 8, 12 and 17T

1шт.

13095R1

PIN,1/4" x 1 1/4"

Split (Cotter), 1/4" x 1 1/4"

2шт.

21868V

WASHER

29/32 x 1-1/2 in. x 16 ga

3шт.

25

475469R1

PLATE, throw-out rod

1шт.

BOLT, 1/2 x 5 in. mach

2шт.

102637

NUT,1/2"-13, G5

2шт.

103323

LOCK WASHER,1/2"

WASHER, LOCK, 1/2"

2шт.

26

475468R1

ROD, throw-out

1шт.

PIN, 1/8 x 3/4 in. self-opening cottear

3шт.

WASHER, 13/32 x 3/4 in. x 16 ga

2шт.

27

517951R11

WEAR PAD

COLLAR ASSY, throw-out rod

1шт.

105111

FITTING

SCREW, 5/16-18 x 3/8 sq-hd cup-pt set

1шт.

28

475462R1

SUPPORT, clutch

1шт.

BOLT, 1/2 x 1 in. crg

2шт.

102637

NUT,1/2"-13, G5

2шт.

103323

LOCK WASHER,1/2"

WASHER, LOCK, 1/2"

2шт.

29

475463R1

PLATE, countershaft

1шт.

BOLT, 1/2 x 1 in. crg

2шт.

102637

NUT,1/2"-13, G5

2шт.

103323

LOCK WASHER,1/2"

WASHER, LOCK, 1/2"

2шт.

Выбрано товаров: 64