Запчасти Case IH DRY (A-161) - DRY FERTILIZERS, DRIVE UNIT

Схема запчастей Case IH DRY - (A-161) - DRY FERTILIZERS, DRIVE UNIT
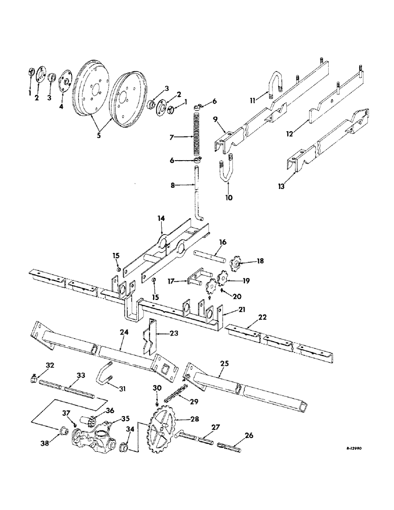
2
3
4
27
20
5
18
14
38
28
16
9
30
7
37
3
21
13
26
36
10
6
2
17
23
31
22
35
15
32
29
6
15
1
8
12
33
11
34
19
24
25
1
FIT
1:1
100%

Артикул

Название

Примечание

Количество

1

455958R11

COLLAR,19.05mm ID x 32.94mm OD x 13.49mm W

ASSEMBLY, bearing lock

2шт.

2

455961R1

BEARING HOUSING,3.5625" OD x 0.3125"

FLANGETTE, bearing

2шт.

17411R1

BOLT,Hex, 5/16"-18 X 3/4", G2

5/16 x 3/4 in. hex-hd mach

3шт.

9635082

NUT,5/16" - 18, Gr 5

5/16 in.

3шт.

103320

LOCK WASHER,5/16"

WASHER, LOCK, 5/16"

3шт.

3

471895R91

BALL BEARING

drive wheel

2шт.

4

471844R1

HUB, drive wheel

1шт.

17425R1

BOLT,Hex, 5/16" - 18 x 1", Gr 2

5/16 x 1 in. hex-hd mach

4шт.

9635082

NUT,5/16" - 18, Gr 5

5/16 in.

4шт.

103320

LOCK WASHER,5/16"

WASHER, LOCK, 5/16"

4шт.

5

517239R1

RIM, wheel, 2 halves, for 4 x 16 chevron tread zero pressure tire

1шт.

18763R1

BOLT,Hex, 5/16" - 18 x 1/2", Gr 2

5/16 x 1/2 in. C-Z hex-hd mach

4шт.

9635082

NUT,5/16" - 18, Gr 5

5/16", G5

4шт.

80681

LOCK WASHER,5/16"

WASHER, LOCK, 5/16"

4шт.

6

516595R11

COLLAR,16.67mm ID x 28.5mm OD x 19mm L

COLLAR W/SET SCREW ASSEMBLY, pressure rod

2шт.

85-15010

SET SCREW,Sq Hd, 1/2"-13 x 5/8"

SCREW, 1/2 x 5/8 in. sq-hd cup-pt set

2шт.

7

PO23

SPRING

pressure rod

1шт.

8

471854R1

ROD, pressure

1шт.

13094R1

Pin, Split (Cotter), 3/16" x 1 1/4", self-opening 3/16" x 1 1/4"

2шт.

9

471871R91

TIE ASSEMBLY, hopper tool bar inner

1шт.

102635

NUT,3/8"-16, G5

2шт.

103321

LOCK WASHER,3/8"

WASHER, LOCK, 3/8"

2шт.

10

461985R1

BOLT,5/8" - 11 x 5 1/4"

U-BOLT, tool bar tie front

1шт.

102639

NUT,5/8"-11, G5

2шт.

103325

LOCK WASHER,5/8"

WASHER, LOCK, 5/8"

2шт.

11

520529R1

U-BOLT, tool bar tie rear

1шт.

102639

NUT,5/8"-11, G5

2шт.

103325

LOCK WASHER,5/8"

WASHER, LOCK, 5/8"

2шт.

12

471881R91

SUPPORT ASSEMBLY, walk outside, 12 row only

1шт.

102635

NUT,3/8"-16, G5

2шт.

103321

LOCK WASHER,3/8"

WASHER, LOCK, 3/8"

2шт.

13

471876R91

TIE ASSEMBLY, hopper tool bar outer, 12 row only

1шт.

15058R1

BOLT, 5/8 x 1-3/4 in. sq-nk crg

1шт.

102639

NUT,5/8"-11, G5

1шт.

103325

LOCK WASHER,5/8"

WASHER, LOCK, 5/8"

1шт.

14

471838R91

FRAME ASSEMBLY, drive wheel RH

1шт.

14

471837R91

FRAME ASSEMBLY, drive wheel LH

1шт.

17448R1

BOLT (SPREADER)

BOLT, 1/2 x 1-1/4 in. hex-hd mach

2шт.

102637

NUT,1/2"-13, G5

2шт.

103323

LOCK WASHER,1/2"

WASHER, LOCK, 1/2"

2шт.

Q5035

WASHER

17/32 x 1 in. x 16 ga

2шт.

15

455410R1

SPACER

BUSHING, drive wheel frame

2шт.

16

471843R1

AXLE, drive wheel

1шт.

Q3514

HEADED PIN,1/4" x 1 9/16"

PIN, 1/4 x 1-9/16 in. std-hd

2шт.

13042R1

AXLE PIN,1/8" x 3/4"

Pin, Split (Cotter), , self-opening 1/8" x 3/4"

2шт.

17

471847R91

TIGHTENER ASSEMBLY, drive chain

1шт.

15027R1

BOLT, 5/8 x 1-1/4 in. sq-nk crg

1шт.

102639

NUT,5/8"-11, G5

1шт.

13068R1

PIN,3/16" x 1"

Split (Cotter), , self-opening 3/16" x 1"

2шт.

103325

LOCK WASHER,5/8"

WASHER, LOCK, 5/8"

1шт.

18

471846R1

SPROCKET, drive, 8T

1шт.

19

527070R1

SPROCKET ASSY.

SPROCKET, chain tightener idler, 8T

2шт.

20

125617

LUBE NIPPLE,3/16" x .61 lg, Drive

FITTING, 3/16 in. straight drive type lubrication

2шт.

21

471860R91

SUPPORT ASSEMBLY, hopper inner RH

1шт.

21

471859R91

SUPPORT ASSEMBLY, hopper inner LH

1шт.

22

471858R1

ANGLE, hopper support extension, 12 row only

1шт.

23

471833RA91

SUPPORT ASSEMBLY, hopper angle

1шт.

17448R1

BOLT (SPREADER)

BOLT, 1/2 x 1-1/4 in. hex-hd mach

1шт.

102637

NUT,1/2"-13, G5

1шт.

103323

LOCK WASHER,1/2"

WASHER, LOCK, 1/2"

1шт.

24

471883R91

SUPPORT ASSEMBLY, hopper angle center

1шт.

25

471887R91

SUPPORT ASSEMBLY, hopper angle support RH, 12 row only

1шт.

25

471886R91

SUPPORT ASSEMBLY, hopper angle support LH, 12 row only

1шт.

425-1012

NUT,3/4"-10, G5

3/4 in.

2шт.

615168R1

WASHER

25/32 x 1-1/2 in. x 11 ga

2шт.

26

471867R1

EXTENSION, feed shaft, 12 row only

1шт.

13094R1

Pin, Split (Cotter), 3/16" x 1 1/4", self-opening 3/16" x 1 1/4"

1шт.

27

471855R91

SHAFT ASSEMBLY, outer feed, 12 row only

1шт.

28

471851R1

SPROCKET, driven, 27T

1шт.

102593

SET SCREW,Hex Skt, 3/8" - 16 x 1/2"

SCREW, 3/8 x 1/2 in. hex-soc-hd cup-pt set

1шт.

29

CHAIN, drive, use 43 links of 1-1/4 in. extended pitch agriculture transmission roller chain from 10 ft roll marked 569089R91, one connecting link, 456980R91 and two offset links 456929R91

1шт.

30

102467H

FITTING

1/4 in. straight lubrication

1шт.

31

471836R1

U-BOLT, hopper angle support

1шт.

102639

NUT,5/8"-11, G5

2шт.

103325

LOCK WASHER,5/8"

WASHER, LOCK, 5/8"

2шт.

32

1431BX

COLLAR CLAMP

COLLAR W/SET SCREW ASSEMBLY, feed shaft

1шт.

85-15012

SET SCREW,Sq Hd, 1/2"-13 x 3/4"

SCREW, 1/2 x 3/4 in. sq-hd cup-pt set

1шт.

33

471856R1

SHAFT, inner feed

1шт.

34

471866R1

BEARING, feed shaft

1шт.

35

526470R2

BRACKET, hopper

1шт.

15041R1

CARRIAGE BOLT,Short Sq Nk, 1/2" - 13 x 1 1/2"

BOLT, 1/2 x 1-1/2 in. sq-nk crg

2шт.

102637

NUT,1/2"-13, G5

2шт.

103323

LOCK WASHER,1/2"

WASHER, LOCK, 1/2"

2шт.

36

526473R1

GEAR

PINION, hopper drive, 12T

1шт.

37

80711

LUBE NIPPLE,65 Degree, 1/8" NPT x 7/8" lg

FITTING, 1/8 in. x 65 degree angle lubrication

1шт.

38

625569R1

HUB CAP

BEARING, feed shaft

1шт.

471845R1

TIRE, 4 x 16 in. chevron zero, pressure

1шт.

Выбрано товаров: 87