Запчасти Case IH 437 (07-001) - PUMP, 100 CC, 90 SERIES, LH Hydraulic Components

Схема запчастей Case IH 437 - (07-001) - PUMP, 100 CC, 90 SERIES, LH Hydraulic Components
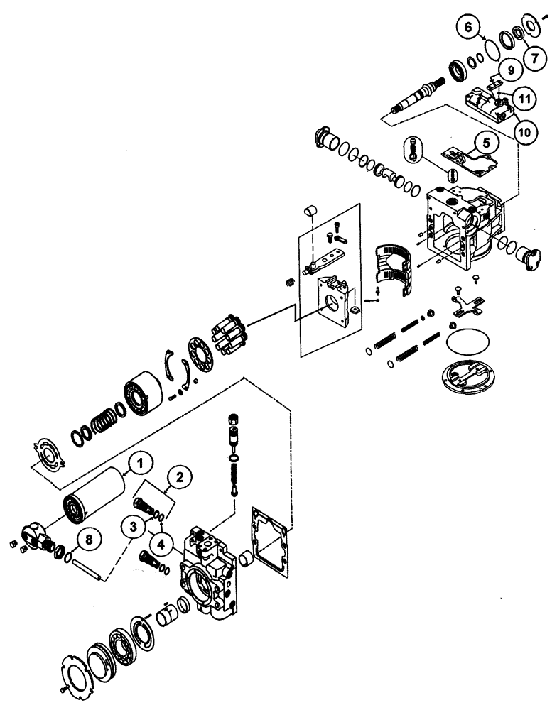
1
7
9
3
5
4
6
8
10
2
11
FIT
1:1
100%

Артикул

Название

Примечание

Количество

1

N14232

FILTER

Element, Spin On

1шт.

2

BN65540

VALVE

Multi-Function 90 Series

2шт.

3

BN65541

O-RING

M/F Valve Upper

2шт.

4

BN65542

O-RING

M/F Valve Lower

2шт.

5

BN68509

GASKET

Control Body

1шт.

6

BN65545

O-RING

Shaft 100 CC

1шт.

7

BN65547

SEAL

Lip, Shaft 100 CC

1шт.

8

BN68470

O-RING

Filter Head, 90 Pump

1шт.

9

BN67479

HANDLE

SS 90 Series Pump

1шт.

10

BN68507

CONTROL

Vari Disp, Complete

1шт.

11

BN68508

O-RING

control shaft

1шт.

12

BN300951

SHAFT

Drive Assembly

1шт.

13

BN300952

KIT

Charge Relief

1шт.

14

BN69597

FILTER HEAD

Filter Mount, 90 Series, Head Only

1шт.

15

BN69598

SEAL KIT

Complete, 90 Series

1шт.

Выбрано товаров: 15