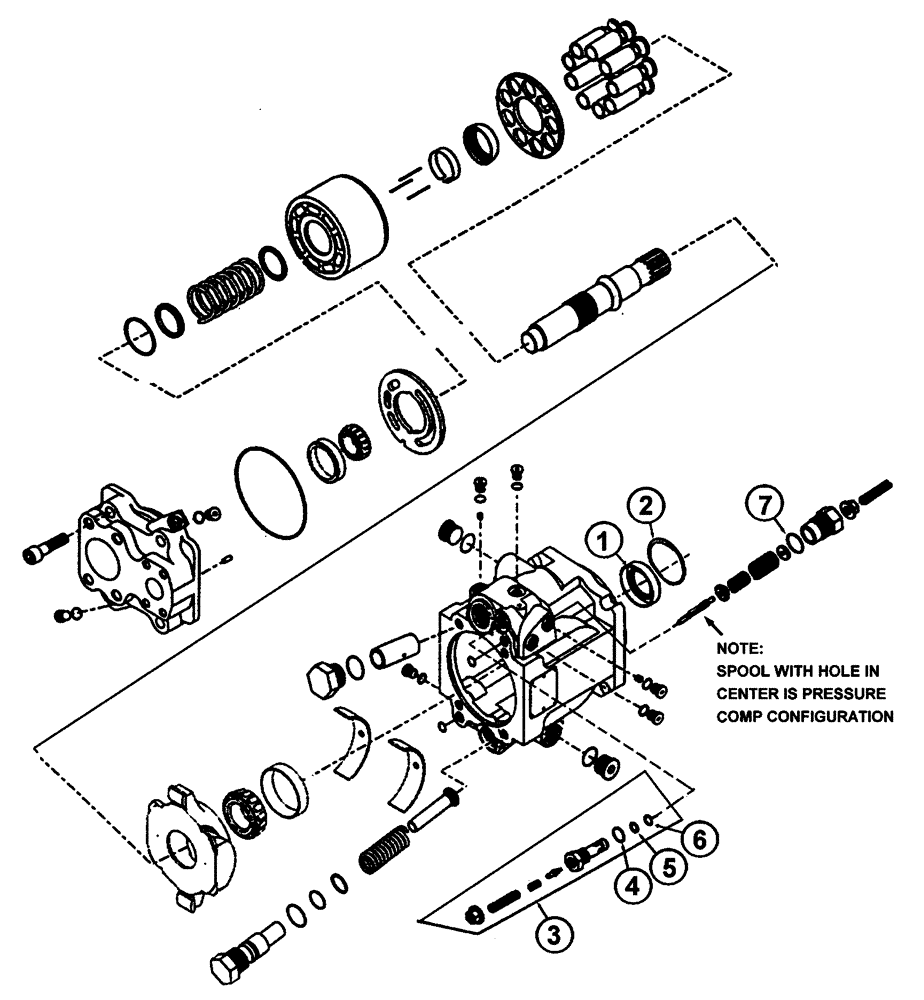
Запчасти Case IH 437 (07-004) - PUMP, PRESS COMP. 45 SERIES Hydraulic Components

Схема запчастей Case IH 437 - (07-004) - PUMP, PRESS COMP. 45 SERIES Hydraulic Components
7
4
3
2
1
5
6
FIT
1:1
100%

Артикул

Название

Примечание

Количество

1

BN68471

SEAL

45 Series Pump

1шт.

2

BN68472

RING

45 Series Pump

1шт.

3

BN68473

VALVE PRESSURE RELIE

COMP, Complete, 45

1шт.

4

BN68474

O-RING

Press COMP

1шт.

5

BN68475

O-RING

Press COMP

1шт.

6

BN68476

O-RING

Press COMP

1шт.

7

BN68477

O-RING

Load Sense Valve

1шт.

Выбрано товаров: 7