Запчасти Case IH 437 (07-005) - PUMP, 90 SERIES, CW, AUXC-PAD14T Hydraulic Components

Схема запчастей Case IH 437 - (07-005) - PUMP, 90 SERIES, CW, AUXC-PAD14T Hydraulic Components
11
1
22
24
10
4
18
16
11
8
14
25
26
13
6
19
21
17
12
15
9
27
2
3
28
5
23
20
7
FIT
1:1
100%

Артикул

Название

Примечание

Количество

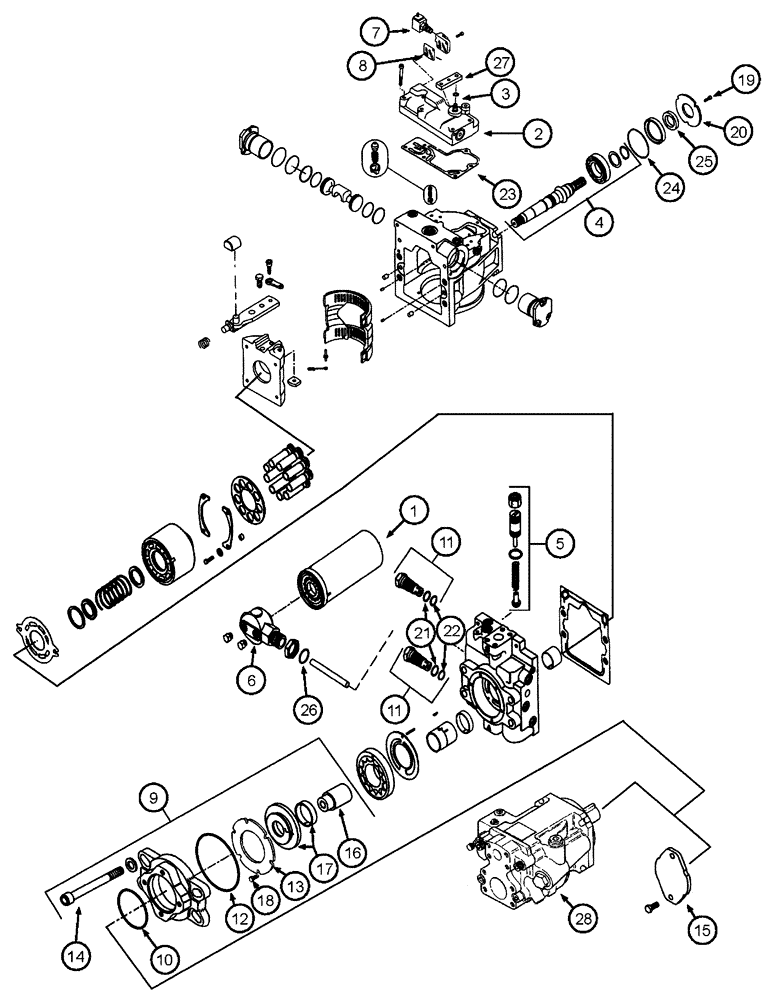
1

N14232

FILTER

Element, Spin On

1шт.

2

BN306567

CONTROL

MDC 12 V On/Off

1шт.

3

BN68508

O-RING

control shaft

1шт.

4

BN306568

DRIVEN SHAFT

Drive-Assembly 14 T-1.25

1шт.

5

BN300952

KIT

Charge Relief

1шт.

6

BN69597

FILTER HEAD

Filter, 90 Series, Head Only

1шт.

7

BN306569

SOLENOID VALVE

Cart Assembly 12 V Pump On/Off

1шт.

8

BN306570

GASKET

Manifold

1шт.

9

BN306571

REPAIR KIT

Auxiliary Mounting, C Flange Kit 14 T

1шт.

10

BN306572

O-RING

Auxiliary Pump Pilot

1шт.

11

BN65540

VALVE

Multi-Function 90 Series

2шт.

12

BN312705

O-RING,0.103" Thk x 4.737" ID, -158, Cl 7, 75 Duro

Auxiliary Flange

1шт.

13

BN306574

COVER

Retaining

1шт.

14

BN306575

BOLT

Rear Auxiliary Cover

1шт.

15

BN306576

Auxiliary Pump

1шт.

Not Used If 45 Series Pump Is Mounted To Auxiliary Pad

1шт.

16

BN306577

COUPLING

Aux Pump

1шт.

17

BN306578

COVER

(CW)

1шт.

18

BN306579

SCREW

Retaining Cover

1шт.

19

BN306580

SCREW,M6 x 20mm

M6 X 20 Shaft Retainer

1шт.

20

BN306581

RETAINER

Shaft Seal

1шт.

21

BN65541

O-RING

M/F Valve Upper

2шт.

22

BN65542

O-RING

M/F Valve Lower

2шт.

23

BN68509

GASKET

Control Body

1шт.

24

BN65545

O-RING

Shaft 100 CC

1шт.

25

BN65547

SEAL

Lip, Shaft 100 CC

1шт.

26

BN68470

O-RING

Filter Head, 90 Pump

1шт.

27

BN67479

HANDLE

SS 90 Series Pump

1шт.

27a

BN69598

SEAL KIT

Complete 90 Series

1шт.

Service Part For Ref. 27

1шт.

For Above Pump

1шт.

28

86986504

PUMP

Pressure Comp-60 cc

1шт.

See Fig. 07-006

1шт.

Выбрано товаров: 33