Запчасти Case IH 437 (07-006) - PUMP, HYD SERIES 45, CW, 14T Hydraulic Components

Схема запчастей Case IH 437 - (07-006) - PUMP, HYD SERIES 45, CW, 14T Hydraulic Components
8
5
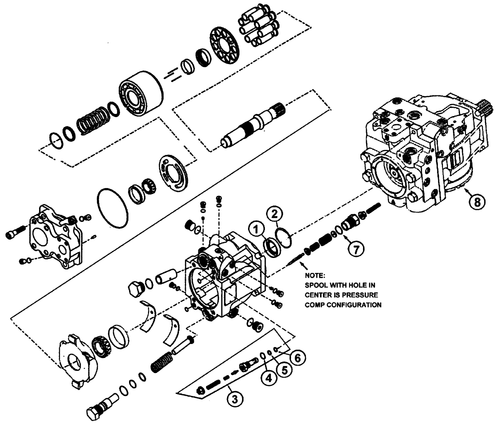
1
2
4
7
6
3
FIT
1:1
100%

Артикул

Название

Примечание

Количество

1

BN68471

SEAL

Lip, 45 Series Pump

1шт.

2

BN68472

RING

Retain, 45 Series Pump

1шт.

3

BN68473

VALVE PRESSURE RELIE

Press COMP, Complete, 45

1шт.

4

BN68474

O-RING

Press COMP Valve

1шт.

5

BN68475

O-RING

Press COMP Valve

1шт.

6

BN68476

O-RING

Press COMP Valve

1шт.

7

BN68477

O-RING

Press COMP Valve

1шт.

8

BN303082

PUMP

90 Series, CW, Auxiliary Pad 14 T

1шт.

See Fig. 07-005

1шт.

Выбрано товаров: 9