Запчасти Case IH 438 (13-004) - PUMP, HYD-SERIES 45, CW, 14T Hydraulic Components

Схема запчастей Case IH 438 - (13-004) - PUMP, HYD-SERIES 45, CW, 14T Hydraulic Components
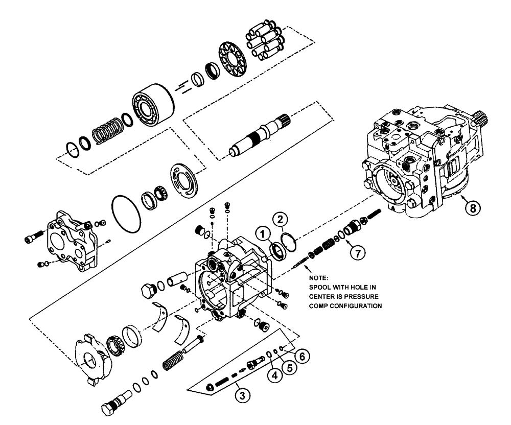
1
5
7
2
4
8
6
3
FIT
1:1
100%

Артикул

Название

Примечание

Количество

1

BN68471

SEAL

Lip, 45 Series Pump

1шт.

2

BN68472

RING

Retain, 45 Series Pump

1шт.

3

BN68473

VALVE PRESSURE RELIE

PRES Comp, Complete, 45

1шт.

4

BN68474

O-RING

Press Comp Valve

1шт.

5

BN68475

O-RING

Press Comp Valve

1шт.

6

BN68476

O-RING

Press Comp Valve

1шт.

7

BN68477

O-RING

Load Sense Valve

1шт.

8

NSS

NOT SOLD SEPARAT

90 SER, CW, Auxiliary C Pad 14T

1шт.

See Fig. 13-002

1шт.

Выбрано товаров: 9