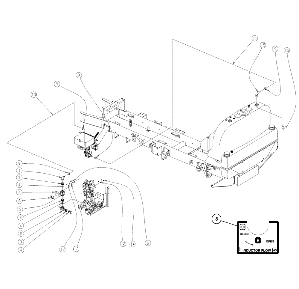
Запчасти Case IH 438 (20-005) - INDUCTOR PLUMBING Reload Control & Chemical Eductor

Схема запчастей Case IH 438 - (20-005) - INDUCTOR PLUMBING Reload Control & Chemical Eductor
9
6
15
5
14
3
8
2
15
12
12
3
3
4
7
9
9
4
1
9
13
8
11
10
4
FIT
1:1
100%

Артикул

Название

Примечание

Количество

1

BN303189

FITTING,2" Flange x 1-1/4" 90 Degree Hose Barb Elbow

2" Flange x 1-1/4" Hose Barb, Poly

1шт.

2

405779A1

TEE,2" Port Flanged Tee

Poly 2" Flange Manifold

1шт.

3

BN303199

CLAMP,2" Flange

2" Standard Flange

3шт.

4

BN303204

GASKET,1-1/2" EPDM Gasket

2" Flange, EPDM

3шт.

5

BN304328

VALVE,2" FP Valve w/C-Flng & T Handle

Ball, 2" FL, W/T HNDL

1шт.

6

BN304425

BRACKET

2" Valve, Upper

1шт.

7

BN320997

BRACKET

Decal Mount (SS)

1шт.

8

BN306587

DECAL

inductor flow

1шт.

9

BN310448

HOSE CLAMP

#28, Stainless Steel

4шт.

10

BN312072

HOSE,1.25" ID x 135.00"

1шт.

11

BN312073

HOSE

1.50X

1шт.

12

BN50138

WASHER,1/4", SS

4шт.

13

BN50671

BOLT,1/4"-20 x 1.00", Stainless Steel

2шт.

14

BN55359

LOCK NUT,1/4"-20, SS

2шт.

15

BN73723

ELBOW,90 Degree Elbow, 1-1/2" Male NPT x 1-1/2" Hose Barb, Poly

1-1/2" NPT x 1-1/2" Hose Barb, Poly

2шт.

Выбрано товаров: 15