Запчасти Case IH 438 (18-014) - MANIFOLD GROUP, FLEX LIQUID Wet Kit

Схема запчастей Case IH 438 - (18-014) - MANIFOLD GROUP, FLEX LIQUID Wet Kit
15
1
4
10
15
3
6
2
8
14
7
9
8
15
13
5
7
10
15
11
12
15
9
FIT
1:1
100%

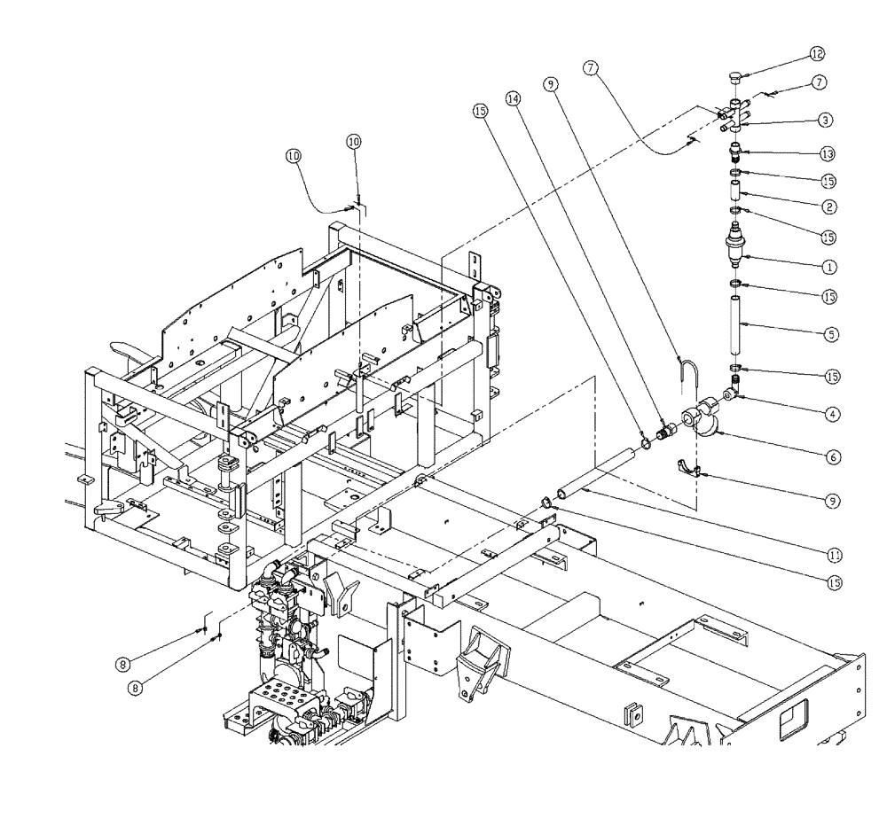
Артикул

Название

Примечание

Количество

1

87378188

REPAIR KIT

Raven RFM60 Flow Meter With Adaptor Harness

1шт.

2

BN24645

HOSE

1-1/4 EPDM x 3-1/2

1шт.

3

BN304699

MANIFOLD

Flex Liquid

1шт.

4

BN308040

FITTING,1-1/2" Male Thread x 1-1/4" 90 Degree Hose Barb

1.5 NPT, 1.25 HB, 90º

1шт.

5

BN308043

HOSE

Water, 1.25 X 12.00

1шт.

6

BN309963

FILTER STRAINER,1-1/2" x 1-1/2" Y Strainer

Line, 1.5", 50 Mesh

1шт.

7

BN50212

BOLT,1/4"-20 x 3/4", Stainless Steel

2шт.

8

BN50759

LOCK NUT,3/8"-16, Nylon, Stainless

2шт.

9

BN53399

PIPE CLAMP

3" Muffler

1шт.

10

BN55359

LOCK NUT,1/4"-20, SS

2шт.

11

BN67239

HOSE

1.50 X 20.50 EPDM

1шт.

12

BN73655

PLUG,1-1/4" Male NPT, Poly

1 & 1/4 NPT, poly pipe

1шт.

13

87743696

FITTING

1-1/4" NPT X 1-1/4" Hose Barb, Poly

1шт.

14

413083A1

PIPE FITTING,1-1/2" Male Thread x 1-1/2" Hose Barb

Hose Barb, 1 1/2"

1шт.

15

BN76020

HOSE CLAMP

1 & 1/2 - 2 Hose SS

6шт.

Выбрано товаров: 15