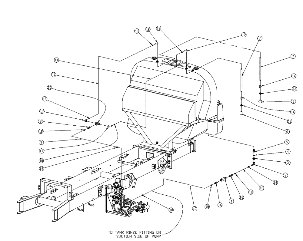
Запчасти Case IH 438 (18-016) - TANK RINSE GROUP, FLEX-AIR Wet Kit

Схема запчастей Case IH 438 - (18-016) - TANK RINSE GROUP, FLEX-AIR Wet Kit
10
13
17
17
18
18
7
1
18
16
11
18
18
18
10
15
5
9
18
6
12
6
16
14
11
4
14
18
18
8
12
18
2
3
7
13
FIT
1:1
100%

Артикул

Название

Примечание

Количество

1

BN24567

CHECK VALVE

1 1/4" NPT

1шт.

2

435587A1

FITTING,1" Flange x 1" 90 Degree Hose Barb Elbow

1" Flange x 1" Hose Barb, Poly

1шт.

3

BN303203

CLAMP,1" Flange

FL

1шт.

4

408350A1

MANIFOLD GASKET,1" EPDM Manifold Gasket

1" x 7/32" thick

1шт.

5

BN306903

MANIFOLD,1" Flange x 1" Male NPT, Poly

STR 1" x 1" male

1шт.

6

BN310058

NOZZLE

Rinse

2шт.

7

BN310090

PIPE

SS, 3/4 SC 40 X 22.00

2шт.

8

BN53476

FITTING,1" Male NPT x 1" Hose Barb, Poly

1" NPT x 1" Hose Barb, Poly

1шт.

9

BN53820

EPDM 1" ID x 92"

1шт.

10

BN53821

HOSE

EPDM 1" ID x 100"

2шт.

11

BN53866

EPDM 3/4" ID X 76"

2шт.

12

BN73562

FITTING,3/4" Male Thread x 3/4" 90 Degree Hose Barb

3/4" NPT x 3/4" Hose Barb, 90°

2шт.

13

BN73572

NIPPLE, LUBE

NIPPLE 3/4-1/2, Poly

2шт.

14

BN73574

COUPLING

3/4" Poly

2шт.

15

BN73629

TEE

1" Poly Pipe

1шт.

16

BN73657

FITTING,1-1/4" Male NPT x 1" Hose Barb, Poly

1-1/4" NPT x 1" Hose Barb, Poly

2шт.

17

BN73684

ELBOW

90° 1" MPT x 3/4" Barb

2шт.

18

BN310447

HOSE CLAMP

#20, Stainless Steel

10шт.

Выбрано товаров: 18