Запчасти Case IH 438 (07-006) - PUMP, HYD-SERIES 45, CW, 14T Hydraulic Components

Схема запчастей Case IH 438 - (07-006) - PUMP, HYD-SERIES 45, CW, 14T Hydraulic Components
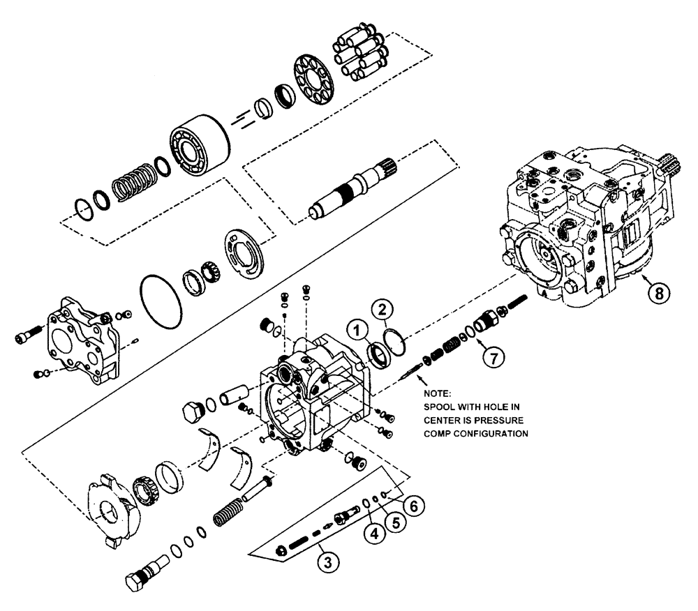
8
4
2
1
7
6
3
5
FIT
1:1
100%

Артикул

Название

Примечание

Количество

1

BN68471

SEAL

Lip, 45 - Series Pump

1шт.

2

BN68472

RING

Retain, 45 Series Pump

1шт.

3

BN68473

VALVE PRESSURE RELIE

Complete, 45

1шт.

4

BN68474

O-RING

Pressure Comp Valve

1шт.

5

BN68475

O-RING

Pressure Comp Valve

1шт.

6

BN68476

O-RING

Pressure Comp Valve

1шт.

7

BN68477

O-RING

Load Sense Valve

1шт.

8

BN303082

PUMP

90 SER, CW, Auxiliary - Pad 14T, See Fig 07-008

1шт.

Выбрано товаров: 8