Качественные детали и логистика
Оригинальные и аналоговые запчасти с доставкой по России, Казахстану и Беларуси
©2022 PartSell ООО "Система" ИНН 2463123282 ОГРН 1212400004838
Центральный офис: г. Красноярск, Академика Киренского, д.87, пом.4
Телефон: 8 (800) 777-65-74 Email: zakaz@partsell.ru
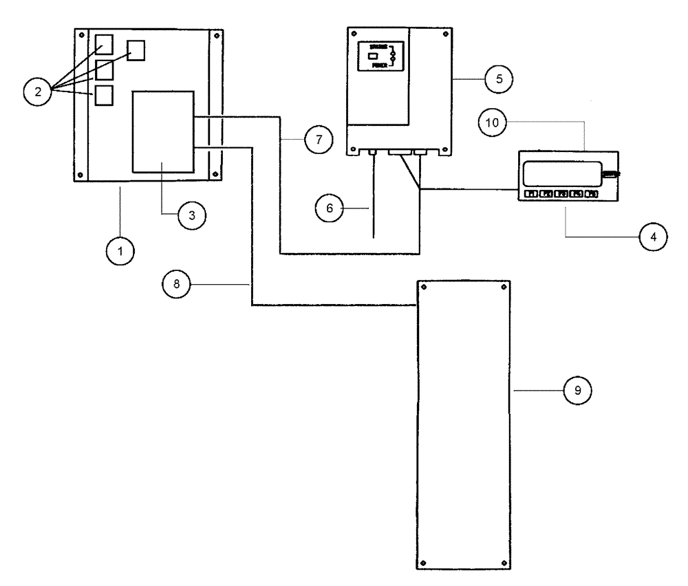
(14-009) - ASSEMBLY - FLEX-AIR® CONTROL
№
Артикул
Название
Примечание
Количество
1
BN310508
Panel Assembly
1шт.
2
BN24056
RELAY
SPDT 30/20 AMP Bosch
4шт.
3
BN16269
MODULE
Interface - Module, Flex - Air® 1400
4
BN302908
HEAD
Flex Display LS
Must Be Used With 4312 Software
5
BN35845
CONTROL UNIT
Flex Air DC2
6
BN16227
CABLE
DC2 Serial
7
BN35833
WIRE HARNESS
Flex, Cab/Controller
8
BN35834
Flex, Cab/Solenoid
9
NSS
NOT SOLD SEPARAT
Flex - Air® Control Panel, See Fig 14-001
10
BN15907
BRACKET
Mount, DC2 Head
Выбрано товаров: 0