Качественные детали и логистика
Оригинальные и аналоговые запчасти с доставкой по России, Казахстану и Беларуси
©2022 PartSell ООО "Система" ИНН 2463123282 ОГРН 1212400004838
Центральный офис: г. Красноярск, Академика Киренского, д.87, пом.4
Телефон: 8 (800) 777-65-74 Email: zakaz@partsell.ru
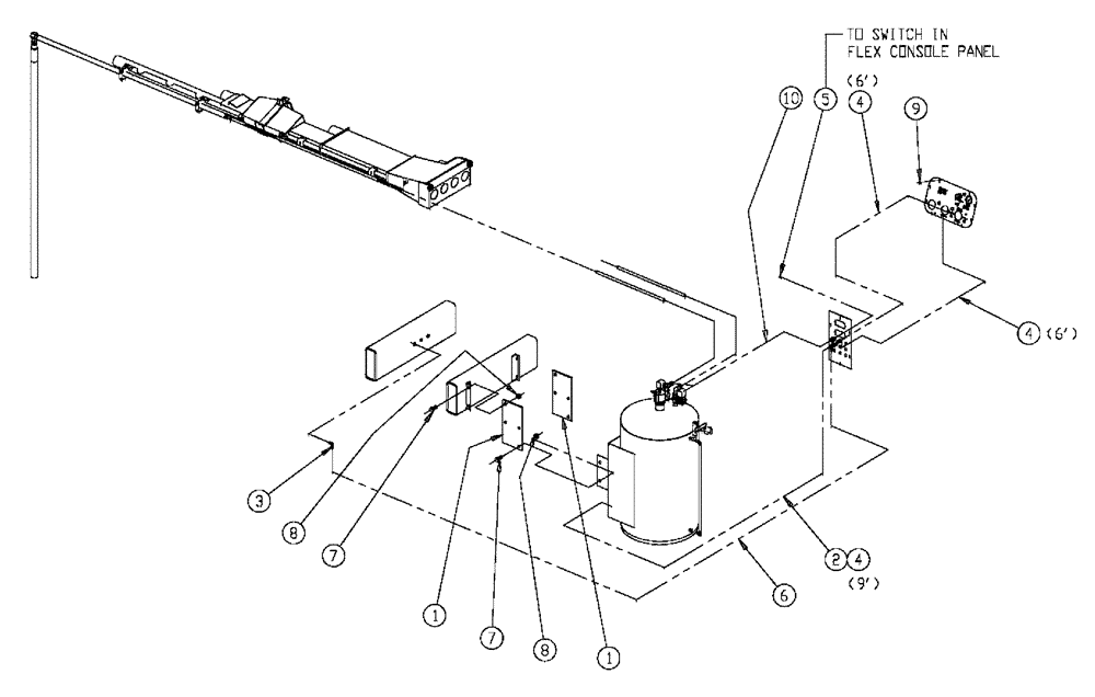
(10-004) - FOAM PARTS, FLEX-AIR®, 60’ & 70’
№
Артикул
Название
Примечание
Количество
1
BN311715
PLATE
Foam Tank Extension 6"
2шт.
2
BN2290333
LOOM
3/8" ID #1784
9шт.
3
BN2290561
FITTING
2103 - 8 - 6
1шт.
4
BN2292088
AIR INTAKE TUBE
3/8" Black
21шт.
5
BN2393063
TERMINAL
KTN 93
6
BN3600002-072.54
Assembly 451AR - 6 - 01
7
88725
BOLT,Hex, 3/4" - 10 x 1 3/4", Gr 5, Full Thd
8шт.
8
280375
NUT,3/4"-10, GC
9
BN55383
BOLT
1/4 - 20 X 1/2 BSH 2
Выбрано товаров: 0