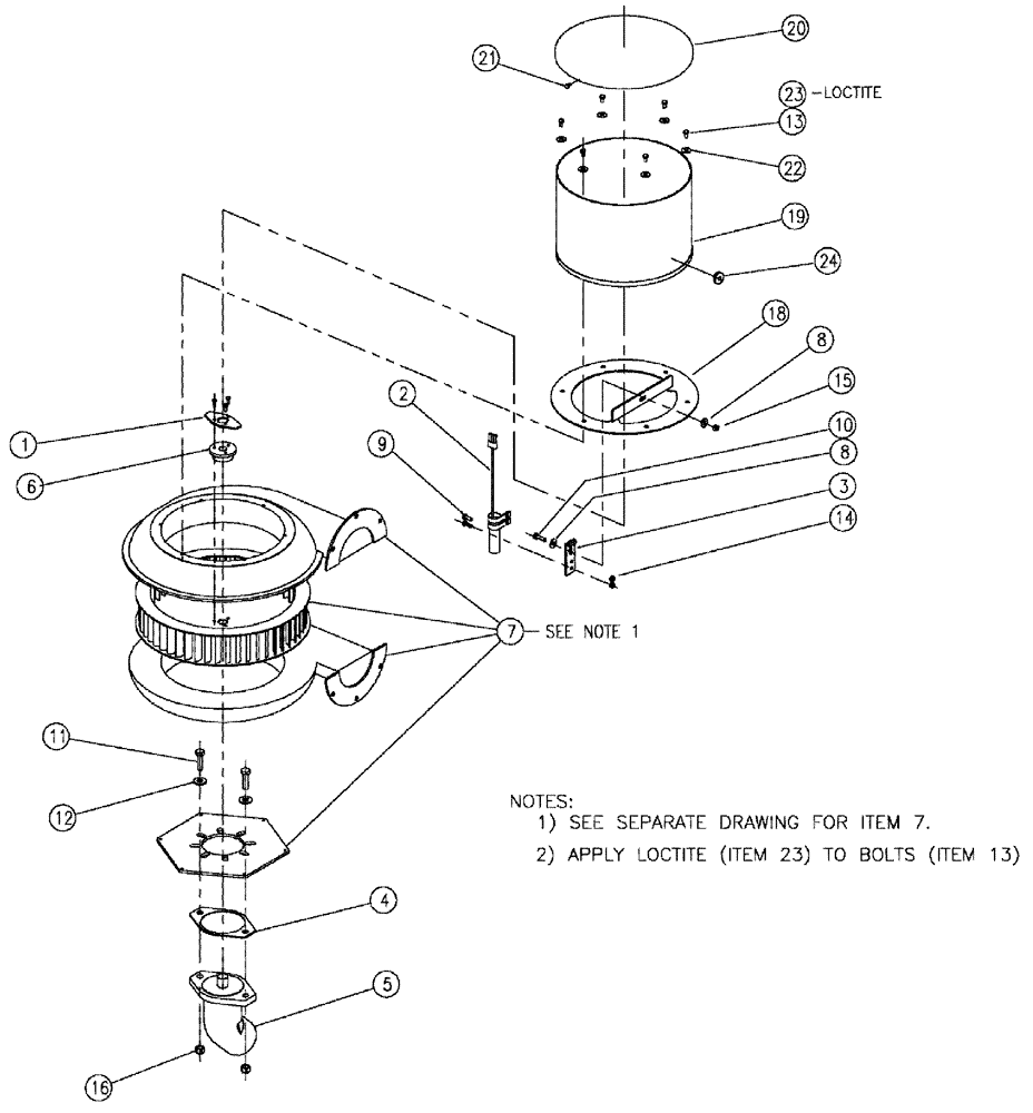
Запчасти Case IH 810 (01-019) - FAN GROUP, 6" CCW Basic Unit

Схема запчастей Case IH 810 - (01-019) - FAN GROUP, 6" CCW Basic Unit
7
23
5
21
11
8
8
20
15
1
24
4
10
14
22
3
18
2
19
13
9
12
6
16
FIT
1:1
100%

Артикул

Название

Примечание

Количество

1

BN15736

PLATE

SENSOR, 2 LOBE

1шт.

2

87267658

SENSOR

Fan Sensor, With Mounting

1шт.

3

BN23453

MOUNTING PLATE

RPM Sensor

1шт.

4

BN23813

GASKET

.060" Polypropylene

1шт.

5

BN35697

HYDRAULIC MOTOR

.73 REX

1шт.

See Fig. 07-017

1шт.

BN35697R

REMAN-HYD MOTOR

810 (9/09-12/11)

1шт.

BN35697C

CORE-MOTOR HYDRAULIC

Return Number

1шт.

6

BN35698

BUSHING

TAPER, 20MM

1шт.

14723410

KEY

Not Shown, Used Between Ref 5 and Ref 6

1шт.

7

87265705

FAN

HP, 6", CCW

1шт.

See Fig. 01-020

1шт.

8

BN50142

WASHER,5/16", Stainless Steel

2шт.

9

BN50212

BOLT,1/4"-20 x 3/4", Stainless Steel

2шт.

10

BN50232

BOLT,5/16"-18 x 1.00", Stainless Steel

1шт.

11

BN50594

BOLT,1/2"-13 x 1.75", Stainless

2шт.

12

BN50595

WASHER,1/2", Stainless

2шт.

13

BN50697

BOLT,Hex, 1/4" - 20 x 1/2", SST

6шт.

14

BN55359

LOCK NUT,1/4"-20, SS

2шт.

15

BN55361

NUT,5/16"-18, Nylon, Stainless

1шт.

16

BN55363

LOCK NUT,1/2"-13, Nylon, Stainless

2шт.

18

86986864

MOUNTING PLATE

Sensor

1шт.

19

86986599

SCREEN

Blower

1шт.

20

1020540

SCREEN

end

1шт.

21

BN50769

SCREW,Hex, #10 x 1/2"

#10 X .5, HH, AB

6шт.

22

BN50138

WASHER,1/4", SS

6шт.

23

BN1243001

LOCTITE

243-31 Removable

1шт.

24

87265721

GROMMET

Screen

1шт.

Выбрано товаров: 28