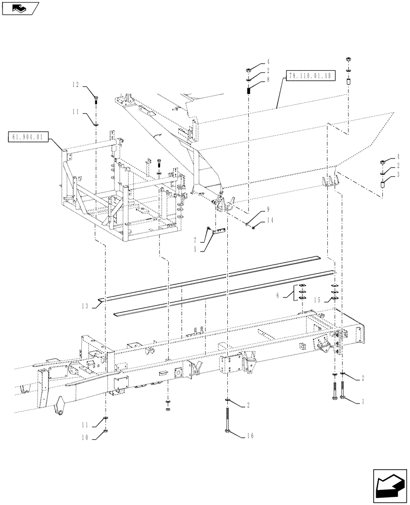
Запчасти Case IH 810 (78.110.01.AA) - MAIN BIN MOUNT (78) - SPRAYING

Схема запчастей Case IH 810 - (78.110.01.AA) - MAIN BIN MOUNT (78) - SPRAYING
15
16
2
1
14
61.904.01
9
7
11
3
2
11
8
78.110.01.ab
10
2
2
12
6
4
home
13
4
5
FIT
1:1
100%

Артикул

Название

Примечание

Количество

1

87310604

BOLT,Hex, M20 x 120mm, Cl 10.9

M20-2.5 x 120, 10.9, DOR

4шт.

2

87310608

WASHER,22mm ID x 44mm OD x 5mm Thk

22 x 44 x 5 mm, HDN, DOR

16шт.

3

86986163

SPACER

Rear Mount

4шт.

4

87024336

NUT,M20 x 2.5, Cl 10

8шт.

5

87266921

SLIDE

Body Mount

2шт.

6

87594367

SPACER

4шт.

7

BN50779

BOLT,5/16"-18 X 1.00", EH, DOR

6шт.

8

BN312850

SPRING

1" ID x 4" Lg-Die

4шт.

9

BN50142

WASHER,5/16", Stainless Steel

6шт.

10

87343954

NUT

Hex, 5/8"-11, GC

4шт.

11

87310650

WASHER,0.66" ID x 1.31" OD x 0.15" Thk

.656 x 1.312 x .150, HTS, DOR

8шт.

12

87310421

BOLT

5/8-11 X 2.5, G8, DOR

4шт.

13

BN313867

BELT,4.00" W x 153.00" L

2шт.

14

BN55361

NUT,5/16"-18, Nylon, Stainless

6шт.

15

87594365

SPACER

Rear Mount, Flex-Air

2шт.

16

87310605

BOLT,M20 x 180, 10.9, DOR

4шт.

Выбрано товаров: 16