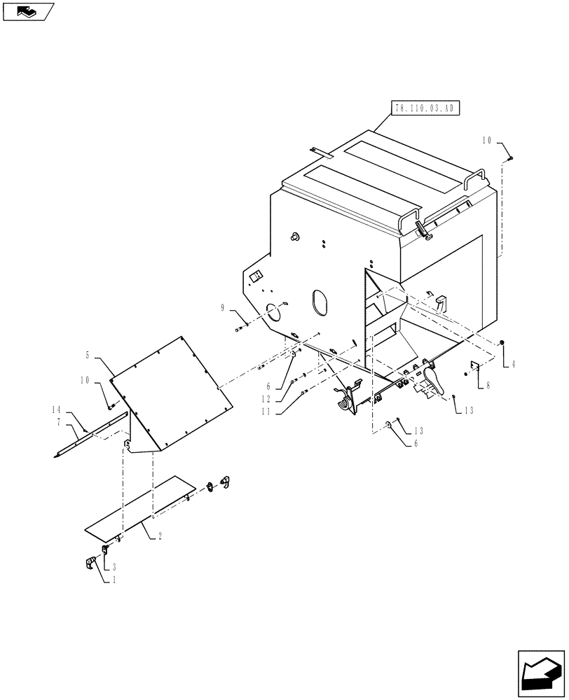
Запчасти Case IH 810 (78.110.03.AC) - DOUBLE BIN, SUPPLEMENTAL ASSEMBLY, LH, 50 CUBIC FEET (78) - SPRAYING

Схема запчастей Case IH 810 - (78.110.03.AC) - DOUBLE BIN, SUPPLEMENTAL ASSEMBLY, LH, 50 CUBIC FEET (78) - SPRAYING
13
4
home
1
2
14
7
12
6
8
10
11
13
6
9
3
78.110.03.ad
10
5
FIT
1:1
100%

Артикул

Название

Примечание

Количество

1

342478A1

LATCH

Swell

2шт.

2

BN308146

COVER

Lower Co-Ap

1шт.

3

BN308147

PIN

Lower Co-Ap Cover Pivot

2шт.

4

BN55359

LOCK NUT,1/4"-20, SS

22шт.

5

BN310860

COVER

LH Support

1шт.

6

BN310862

WASHER

Co-Ap Bin

2шт.

7

BN310863

STRAP

Formed, Co-Ap Cover

1шт.

8

BN35859

COVER

Shaft Hole, Co-Ap Bin

4шт.

9

BN50146

WASHER,3/8", Stainless

2шт.

10

BN50212

BOLT,1/4"-20 x 3/4", Stainless Steel

22шт.

11

BN50250

BOLT,3/8"-16 x 3/4", Stainless Steel

2шт.

12

BN50254

BOLT,3/8"-16 x 1", Stainless

2шт.

13

BN50759

LOCK NUT,3/8"-16, Nylon, Stainless

4шт.

14

87270117

SELF-TAP SCREW,Hex Socket, 1/4" - 20 x 1/2"

1/4"-20 X 1/2", Stainless Steel

5шт.

Выбрано товаров: 14