Запчасти Case IH 810 (35.220.02) - 3 WHEEL HYDROSTATIC PUMP AND PTO DRIVE (35) - HYDRAULIC SYSTEMS

Схема запчастей Case IH 810 - (35.220.02) - 3 WHEEL HYDROSTATIC PUMP AND PTO DRIVE (35) - HYDRAULIC SYSTEMS
2
19
4
13
8
12
18
15
3
9
10
11
home
10
17
5
6
10
1
16
14
35.220.07
35.220.05
35.220.04
35.220.03
7
20
16
10
FIT
1:1
100%

Артикул

Название

Примечание

Количество

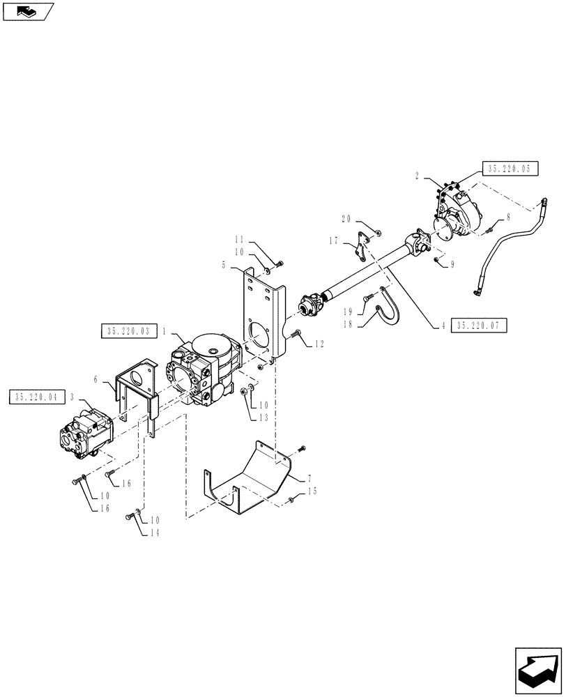
1

BN309564

PUMP

75CC Hydrostat, 90 Series, 810 Drive Pump

1шт.

See Fig 35.220.03 For Service Parts

1шт.

2

BN304157

GEARBOX

PTO Gear Box, RH, With 1-1/2" Dia 10 Tooth Splined Output Shaft, Mounted On The RH Side Of Transmission

1шт.

See Fig 35.220.05 For Service Parts

1шт.

2

BN304157R

REMAN-PTO GEARBOX A.

810 FLEX-AIR APPLICATOR, 3 WHEEL, PTO Gear Box, RH (2/12-)

1шт.

2

BN304157C

CORE-PTO GEARBOX A.

Return Number

1шт.

3

86986504

PUMP

60CC, Pressure Compensated

1шт.

See Fig 35.220.04 For Service Parts

1шт.

4

87541445

DRIVEN SHAFT

Hydrostatic Pump

1шт.

See Fig 35.220.07 For Service Parts

1шт.

5

344374A1

PLATE

Front, Hydrostatic Pump

1шт.

6

84183706

MOUNT

Pump

1шт.

7

BN314397

GUARD

Lower, Pumps

1шт.

8

87342890

BOLT,7/16"-14 x 1-1/4", G5, DOR

4шт.

9

87310320

NUT,7/16"-14, Grade B

4шт.

10

87529234

WASHER,0.53" ID x 1.25" OD x 0.19" Thk

12шт.

11

87342964

BOLT,Hex, 1/2"-20 x 1", G5, DOR

4шт.

12

87342932

BOLT,Hex, 1/2"-13 x 2", G8, DOR

4шт.

13

87343981

NUT,1/2"-13, GR B, DOR

6шт.

14

87342768

BOLT,Hex, 3/8"-16 x 1-1/4", G5, Full Thd, DOR

4шт.

15

87343970

NUT,3/8"-16, G8, DOR

4шт.

16

87342928

BOLT,1/2"-13 x 1-1/2", Gr 8

8шт.

17

84187116

MOUNT

Auxiliary Shaft Guard

1шт.

18

84187113

GUARD

Auxiliary Shaft

1шт.

19

86980420

BOLT,Hex, M12 x 1.75 x 30mm, Cl 8.8, Full Thd

2шт.

20

86980516

NUT,Prev Torque, Hex, M12, 1.75 Pitch, Cl 8, DOR

2шт.

Выбрано товаров: 0