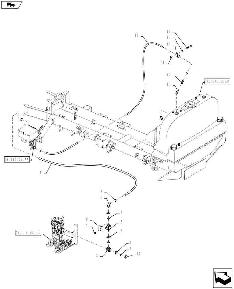
Запчасти Case IH 810 (78.110.09.AC) - INDUCTOR PLUMBING (78) - SPRAYING

Схема запчастей Case IH 810 - (78.110.09.AC) - INDUCTOR PLUMBING (78) - SPRAYING
1
7
8
78.110.12.ab
5
16
3
10
17
14
4
11
4
home
3
13
12
15
2
78.110.09.aa
6
78.110.08.aa
9
FIT
1:1
100%

Артикул

Название

Примечание

Количество

1

BN303189

FITTING,2" Flange x 1-1/4" 90 Degree Hose Barb Elbow

2" Flange x 1-1/4" Hose Barb, Poly

1шт.

2

BN303196

TEE,2" Flange x 2" Flange x 2" Flange, Poly

2" Flange, Poly

1шт.

3

BN303199

CLAMP,2" Flange

2" Standard Flange

3шт.

4

BN303204

GASKET,1-1/2" EPDM Gasket

2" Flange, EPDM

3шт.

5

BN304328

VALVE,2" FP Valve w/C-Flng & T Handle

Ball, 2" Flange, With Handle

1шт.

6

BN320997

BRACKET

Decal Mount, Stainless Steel

1шт.

7

BN306587

DECAL

Inductor Flow

1шт.

8

BN310448

HOSE CLAMP

#28, Stainless Steel

4шт.

9

BN312072

HOSE,1.25" ID x 135.00"

1шт.

10

BN315700

HOSE,1.50" ID x 360.00"

EPDM

1шт.

11

BN310467

ELBOW

1-1/2" NPT x 1-1/2" NPT, Poly, 45º

1шт.

12

BN73725

FITTING,1-1/2" Male NPT x 1-1/2" Hose Barb, Poly

1-1/2" NPT x 1-1/2" Hose Barb, Poly

1шт.

13

515-23508

CLAMP,2", Insul, 3/8" Bolt

1шт.

14

BN50142

WASHER,5/16", Stainless Steel

1шт.

15

BN50476

BOLT,5/16"-18 x 0.75", Stainless

1шт.

16

BN55361

NUT,5/16"-18, Nylon, Stainless

1шт.

17

86984085

PLUG,2" Flange Plug

2" Manifold

1шт.

Выбрано товаров: 17