Запчасти Case IH 810 (78.120.03.AA) - PRESSURE WASHER WATER TANK MOUNTING (78) - SPRAYING

Схема запчастей Case IH 810 - (78.120.03.AA) - PRESSURE WASHER WATER TANK MOUNTING (78) - SPRAYING
15
14
7
13
home
2
17
78.120.03.ab
9
4
5
10
11
6
8
12
3
16
1
FIT
1:1
100%

Артикул

Название

Примечание

Количество

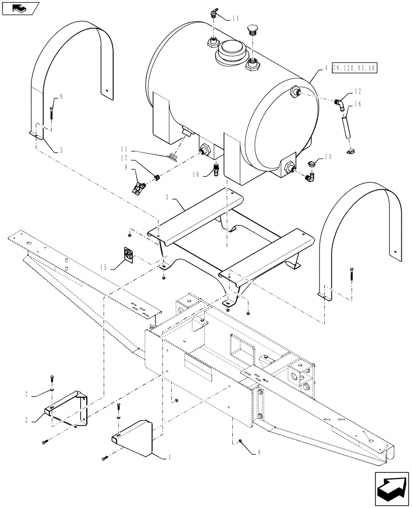
1

BN320734

SUPPORT

Pressure Washer, RH

1шт.

2

BN320735

SUPPORT

Pressure Washer, LH

1шт.

3

87593194

SUPPORT

Tank Frame

1шт.

4

86986818

TANK

65 Gallon, Poly, Black

1шт.

See Fig 78.120.03.AB For Service Parts

1шт.

5

BN323943

BAND

Tank Mount

2шт.

6

BN50258

BOLT,3/8"-16 X 1.25", Stainless

10шт.

7

BN50146

WASHER,3/8", Stainless

4шт.

8

BN50759

LOCK NUT,3/8"-16, Nylon, Stainless

12шт.

9

BN53817

DRAIN VALVE

Ball, 1/2" NPT x Garden Hose Thread, Blue Handle

1шт.

10

BN73561

FITTING

3/4" NPT x 3/4" Hose Barb, Poly

1шт.

11

BN73655

PLUG,1-1/4" Male NPT, Poly

1-1/4 NPT, Poly

2шт.

12

BN73562

FITTING,3/4" Male Thread x 3/4" 90 Degree Hose Barb

3/4" NPT x 3/4" Hose Barb, Poly

2шт.

13

BN310446

HOSE CLAMP

#12, Stainless Steel

2шт.

14

87265956

FITTING,3/8" Hose Barb x 3/4" Male NPT, Poly

3/8" Hose Barb X 3/4" NPT, Poly

1шт.

15

87271146

DECAL

Do Not Drink

1шт.

16

BN324754

HOSE,0.75" ID x 18.00"

1шт.

17

BN73552

BUSHING,3/4" MPT x 1/2"FPT Reducing Bushing

Bushing - 3/4" x 1/2" NPT

1шт.

Выбрано товаров: 18