Запчасти Case IH 810 (78.120.03.BC) - PRESSURE WASHER HYDRAULICS, WITH WET BOOM OPTION (78) - SPRAYING

Схема запчастей Case IH 810 - (78.120.03.BC) - PRESSURE WASHER HYDRAULICS, WITH WET BOOM OPTION (78) - SPRAYING
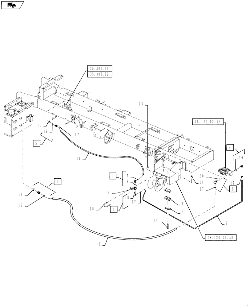
14
19
18
15
3
17
17
2
1
home
78.120.03.ad
78.120.03.ae
10
35.300.01
35.300.02
6
7
12
17
11
17
16
19
17
1
8
4
17
18
9
5
20
18
13
FIT
1:1
100%

Артикул

Название

Примечание

Количество

1

BN302558

ELBOW

13/16-16 ORFS x 3/4-16 ORB, Includes Ref 17 and 18

2шт.

2

BN302559

FITTING

13/16-16 ORFS x 7/8-14 ORB, Includes Ref 17 and 19

1шт.

3

BN302560

FITTING

13/16-16 ORFS x 1-1/16-12 ORB, Includes Ref 17 and 20

1шт.

4

BN302650

FITTING

13/16 -16 ORFS x 3/4 -16 ORB, Includes Ref 17 and 18

1шт.

5

BN313224

FITTING

13/16-16 ORFS x 7/8-14 ORB, With 1/8-27 NPT Internal Thread, Includes Ref 17 and 19

1шт.

6

BN307913

CLAMP

Dual, 1/2 Pipe

1шт.

7

BN309484

PLATE

Top, Dual, Size 3

1шт.

8

BN311607

HYDRAULIC VALVE

2 Way

1шт.

9

BN311613

HOSE,27.50"

13/16-16 ORFS Swivel x 13/16-16 ORFS Swivel x 1/2" ID x 27-1/2" Long, Pump to 2-Way Valve

1шт.

10

BN311614

HOSE

13/16-16 ORFS Swivel x 13/16-16 ORFS Swivel Elbow x 1/2" ID x 238" Long, Pump to Chassis Return Manifold

1шт.

11

BN311615

HOSE

13/16-16 ORFS Swivel x 13/16-16 ORFS Swivel Elbow x 1/2" ID x 198" Long, 2-Way Valve to Filter Manifold

1шт.

12

BN50241

BOLT,5/16"-18 X 2-1/4", Stainless Steel

1шт.

13

BN55359

LOCK NUT,1/4"-20, SS

4шт.

14

BN55361

NUT,5/16"-18, Nylon, Stainless

1шт.

15

BN68011

U-BOLT

BOLT "U" 1/4-20 SS, 1" pipe

2шт.

16

BN313223

ORIFICE

1/8 NPT X .125

1шт.

17

9992298

O-RING,0.07" Thk x 0.489" ID, -14, Cl 6, 90 Duro

13/16", ORFS

6шт.

18

128825

O-RING,0.087" Thk x 0.644" ID, -908, Cl 6, 90 Duro

3/4", ORB

3шт.

19

167269

O-RING,0.097" Thk x 0.755" ID, -910, Cl 6, 90 Duro

7/8", ORB

2шт.

20

167266

O-RING,0.116" Thk x 0.924" ID, -912, Cl 6, 90 Duro

1-1/16", ORB

1шт.

Выбрано товаров: 20