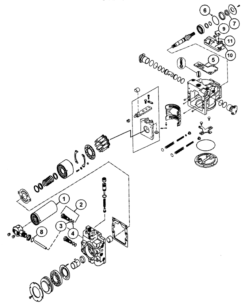
Запчасти Case IH FLEX-AIR (08-001) - PUMP, 100 CC, 90 SERIES, LH Hydraulic Components

Схема запчастей Case IH FLEX-AIR - (08-001) - PUMP, 100 CC, 90 SERIES, LH Hydraulic Components
2
3
5
7
11
8
4
1
9
10
6
FIT
1:1
100%

Артикул

Название

Примечание

Количество

0

BN35683

PUMP, 3.48 CIR PRESS COMP

1шт.

1

N14232

FILTER

Element, Spin On

1шт.

2

BN65540

VALVE

Multi-Function 90 Series

2шт.

3

BN65541

O-RING

M/F Valve Upper

2шт.

4

BN65542

O-RING

M/F Valve Lower

2шт.

5

BN68509

GASKET

Control Body

1шт.

6

BN65545

O-RING

Shaft 100 CC

1шт.

7

BN65547

SEAL

Lip, Shaft 100 CC

1шт.

8

BN68470

O-RING

Filter Head, 90 Pump

1шт.

9

BN67479

HANDLE

SS 90 Series Pump

1шт.

10

BN68507

CONTROL

Vari Disp, Complete

1шт.

11

BN68508

O-RING

control shaft

1шт.

Выбрано товаров: 0