Качественные детали и логистика
Оригинальные и аналоговые запчасти с доставкой по России, Казахстану и Беларуси
©2022 PartSell ООО "Система" ИНН 2463123282 ОГРН 1212400004838
Центральный офис: г. Красноярск, Академика Киренского, д.87, пом.4
Телефон: 8 (800) 777-65-74 Email: zakaz@partsell.ru
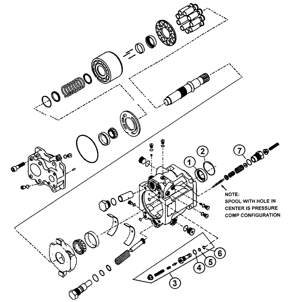
(08-004) - PRESS COMP 45 SERIES
№
Артикул
Название
Примечание
Количество
1
BN68471
SEAL
Lip, 45-Series Pump
1шт.
2
BN68472
RING
Retaining, 45 Series Pump
3
BN68473
VALVE PRESSURE RELIE
Comp, Complete, 45
4
BN68474
O-RING
Pressure Comp Valve
5
BN68475
6
BN68476
7
BN68477
Load Sense Valve
Выбрано товаров: 0