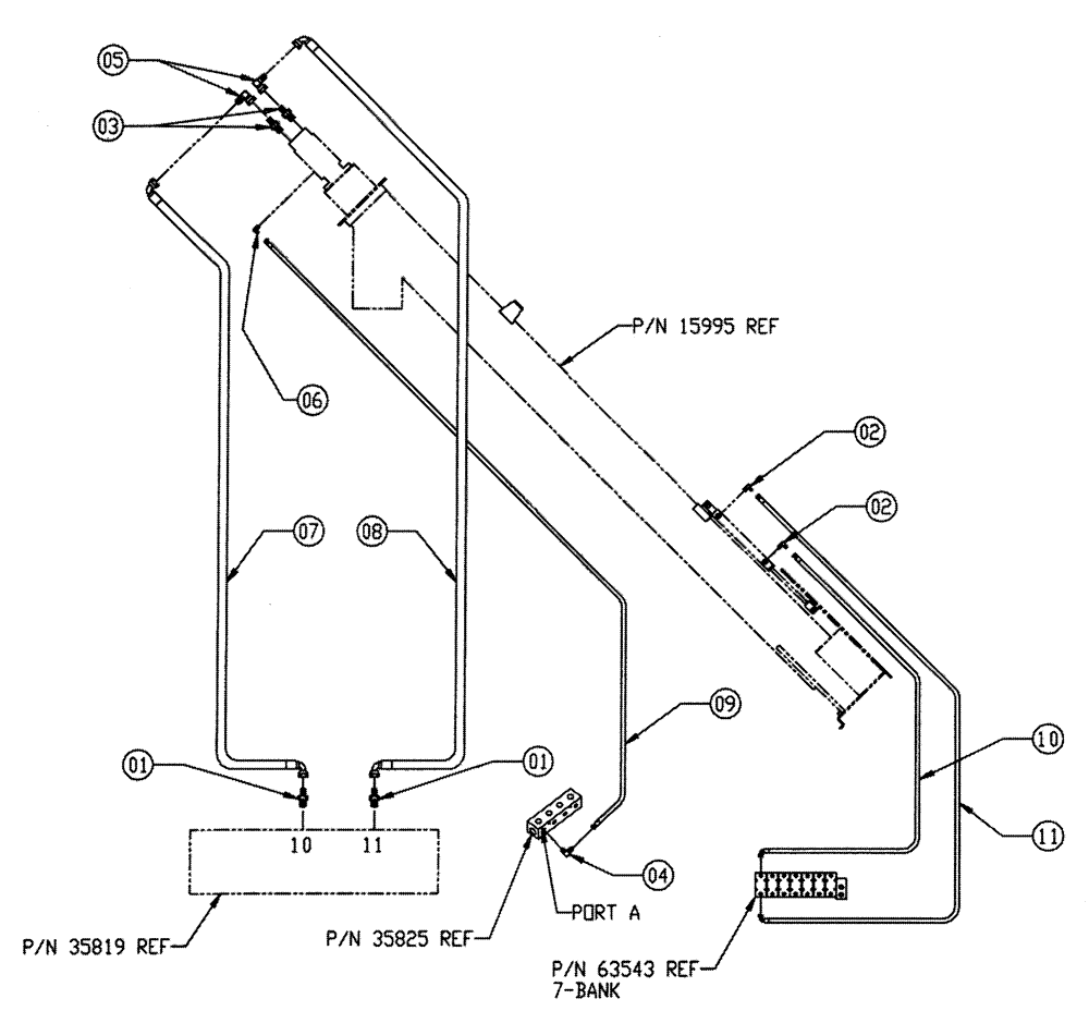
Запчасти Case IH FLEX-AIR (06-006) - AUGER HYD GROUP, 8" Hydraulic Plumbing

Схема запчастей Case IH FLEX-AIR - (06-006) - AUGER HYD GROUP, 8" Hydraulic Plumbing
8
7
2
1
6
4
5
10
2
11
3
9
1
FIT
1:1
100%

Артикул

Название

Примечание

Количество

1

BN21417

FITTING,1 5/16"-12 O-Ring x 1 1/16"-12, 37 Degree

2шт.

2

BN442022

90º Pipe - 37 Flare 04 - 04

2шт.

3

BN444007

O-RING

37 Flare 12-10

2шт.

4

BN445005

ADAPTER

Adapter - 90º 37 FLR 08

1шт.

5

BN446020

ELBOW

90 Degree Swivel

2шт.

6

BN51591

ELBOW

90° - O-Ring 37 FL 7/16

1шт.

7

BN55258

HOSE

3/4 X 165, 12 J1C - 12 JIC

1шт.

8

BN55259

HOSE

3/4 X 177, 12 JIC-12 JIC

1шт.

9

BN55260

HOSE

1/4 X 116, 04 JIC - 06 JIC

1шт.

10

BN55261

HOSE

1/4 X 111, 04 JIC - 06 JIC

1шт.

11

BN55262

HOSE

1/4 X 120, 04 JIC - 06 JIC

1шт.

Выбрано товаров: 11