Запчасти Case IH FLX810 (07-008) - PUMP-HYPRO 2” INLET, 9304C-HM1C Hydraulic Components

Схема запчастей Case IH FLX810 - (07-008) - PUMP-HYPRO 2” INLET, 9304C-HM1C Hydraulic Components
3
24
44
39
31
25
18
27
16
23
17
45
13
29
4
21
40
12
20
22
19
7
6
37
8
33
36
43
15
2
1
32
30
34
1
25
11
38
37
42
5
22
14
26
28
35
FIT
1:1
100%

Артикул

Название

Примечание

Количество

0

BN68766

PUMP

Product, 2" Inlet, Complete

1шт.

NSS

NOT SOLD SEPARAT

Seal and Geroter Kits

1шт.

BN312974

REPAIR KIT

Pump Kit

1шт.

Service Parts For P/N BN68766

1шт.

Includes Refs. 5, 6, And 45

1шт.

BN312973

SEAL KIT

Shaft

1шт.

Service Parts For P/N BN68766

1шт.

Includes Refs. 14, 16, 32, 33 And 2 Each of 25 And 37

1шт.

BN53769

REPAIR KIT

Gerotor - HM1 Model

1шт.

Service Parts For P/N BN68766

1шт.

Includes Refs. 25, 26 And 29

1шт.

BN53771

HYDRAULIC MOTOR

HM1

1шт.

Service Parts For P/N BN68766

1шт.

NSS

NOT SOLD SEPARAT

Liquid Pump

1шт.

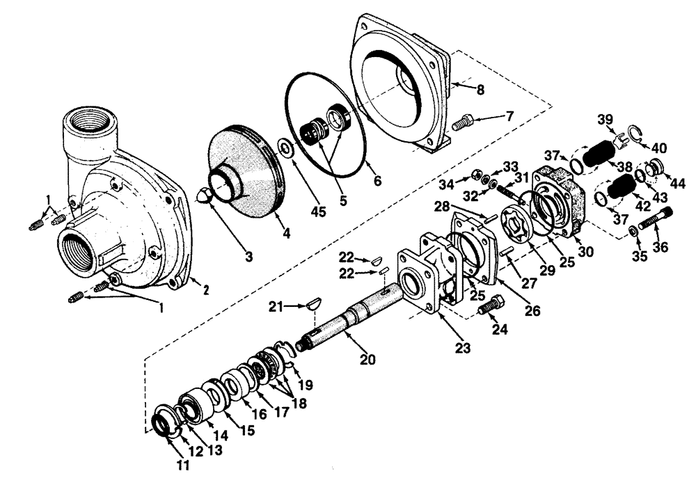
1

NSS

NOT SOLD SEPARAT

Drain/Vent Plug

4шт.

2

NSS

NOT SOLD SEPARAT

Pump Casing (Volute) Includes SS Wear Ring

1шт.

3

BN53693

NUT

Impeller #3

1шт.

4

BN312971

IMPELLER

Impeller (Cast Iron)

1шт.

5

NSS

NOT SOLD SEPARAT

Mechanical Seal (Viton)

1шт.

6

NSS

NOT SOLD SEPARAT

O-Ring

1шт.

7

NSS

NOT SOLD SEPARAT

Hex Head Capscrew

4шт.

8

NSS

NOT SOLD SEPARAT

Mounting Flange

1шт.

11

NSS

NOT SOLD SEPARAT

Slinger Ring

1шт.

12

NSS

NOT SOLD SEPARAT

Retaining Ring

1шт.

13

NSS

NOT SOLD SEPARAT

Snap Ring

1шт.

14

NSS

NOT SOLD SEPARAT

Ball Bearing

1шт.

15

NSS

NOT SOLD SEPARAT

Spacer

1шт.

16

NSS

NOT SOLD SEPARAT

Shaft Seal

1шт.

17

NSS

NOT SOLD SEPARAT

Seal Spacer

1шт.

18

NSS

NOT SOLD SEPARAT

Thrust Bearing Assy.

1шт.

NSS

NOT SOLD SEPARAT

Thrust Bearing

1шт.

Parts Of Thrust Bearing Assy.

1шт.

NSS

NOT SOLD SEPARAT

Thrust Bearing Races

2шт.

Parts Of Thrust Bearing Assy.

1шт.

19

NSS

NOT SOLD SEPARAT

Snap Ring

1шт.

20

NSS

NOT SOLD SEPARAT

Shaft

1шт.

21

NSS

NOT SOLD SEPARAT

Woodruff Key

1шт.

22

NSS

NOT SOLD SEPARAT

Roll Pin

1шт.

23

NSS

NOT SOLD SEPARAT

Front Motor Body (Includes Main Bearing)

1шт.

24

NSS

NOT SOLD SEPARAT

Hex Head Capscrew

4шт.

25

NSS

NOT SOLD SEPARAT

O-Ring

2шт.

26

NSS

NOT SOLD SEPARAT

Gerator Housing

1шт.

27

NSS

NOT SOLD SEPARAT

Dowel Pin

1шт.

28

NSS

NOT SOLD SEPARAT

Dowel Pin

1шт.

29

NSS

NOT SOLD SEPARAT

Gerotor

1шт.

30

NSS

NOT SOLD SEPARAT

Motor End Plate (Includes Main Bearing)

1шт.

31

NSS

NOT SOLD SEPARAT

Bypass Adjusting Screw

1шт.

32

NSS

NOT SOLD SEPARAT

Gasket

1шт.

33

NSS

NOT SOLD SEPARAT

Washer

1шт.

34

NSS

NOT SOLD SEPARAT

Lock Nut

1шт.

35

NSS

NOT SOLD SEPARAT

Washer

4шт.

36

NSS

NOT SOLD SEPARAT

Capscrew

4шт.

37

NSS

NOT SOLD SEPARAT

O-Ring

2шт.

38

NSS

NOT SOLD SEPARAT

Tank Port Adapter

1шт.

39

NSS

NOT SOLD SEPARAT

Poppet

1шт.

40

NSS

NOT SOLD SEPARAT

Retaining Ring

1шт.

42

NSS

NOT SOLD SEPARAT

Pressure Port Adapter

1шт.

45

NSS

NOT SOLD SEPARAT

Rubber Gasket

1шт.

46

NSS

NOT SOLD SEPARAT

Washer

1шт.

Выбрано товаров: 59