Качественные детали и логистика
Оригинальные и аналоговые запчасти с доставкой по России, Казахстану и Беларуси
©2022 PartSell ООО "Система" ИНН 2463123282 ОГРН 1212400004838
Центральный офис: г. Красноярск, Академика Киренского, д.87, пом.4
Телефон: 8 (800) 777-65-74 Email: zakaz@partsell.ru
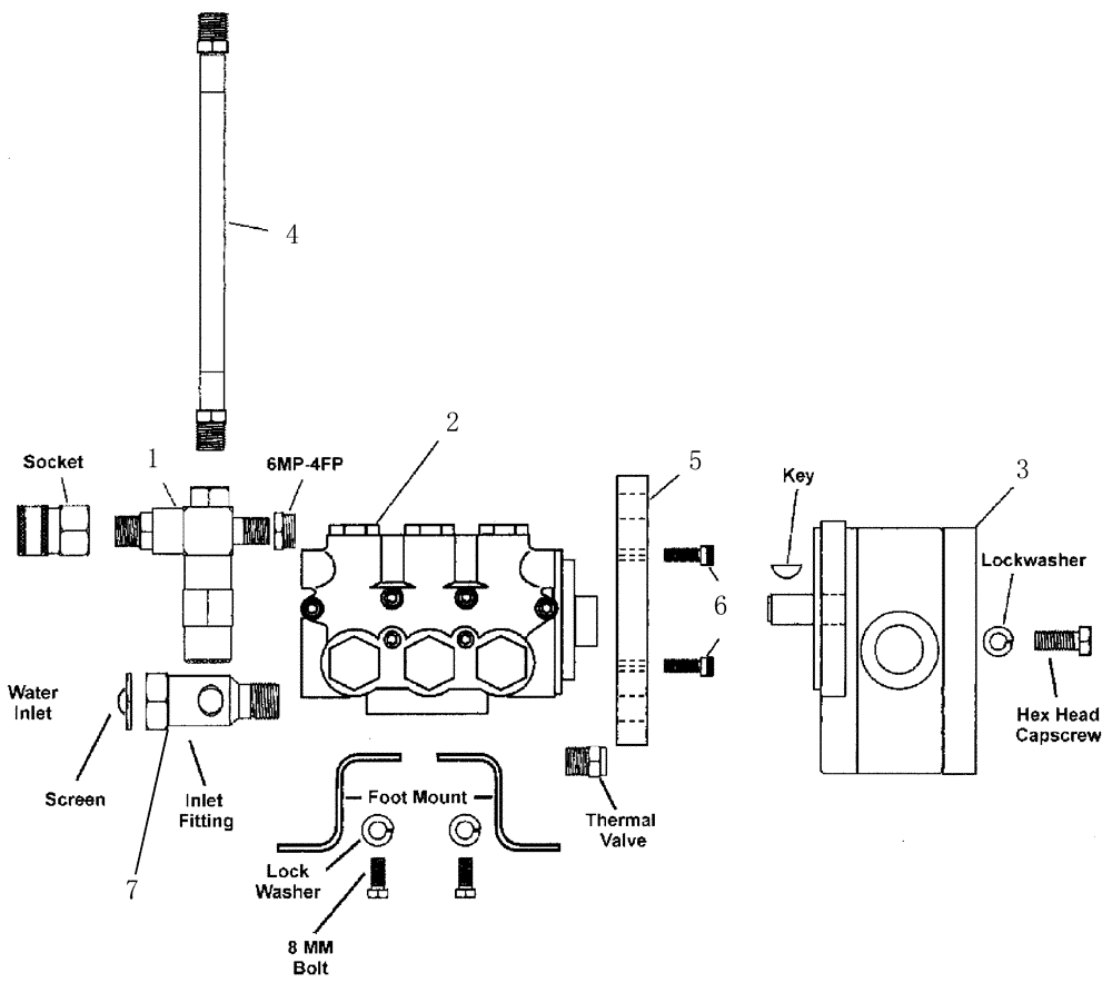
(12-002) - PRESSURE WASHER REPAIR PARTS
№
Артикул
Название
Примечание
Количество
1
BN313234
VALVE
Unloader
1шт.
2
BN313235
PUMP
See Fig. 12-004
3
344196A1
MOTOR
See Fig. 12-003
4
BN311612
HOSE,12.00"
5
84160035
PLATE
Pressure Washer Adapter
6
NS
NOT SERVICED
SCREW Cap, Socket Head, M6-20
2шт.
7
84285528
FITTING
Inlet, With Screen
Выбрано товаров: 0