Запчасти Case IH FLX810 (14-001) - FLIPTOP GROUP, MID Tarps Decals/ Miscellaneous

Схема запчастей Case IH FLX810 - (14-001) - FLIPTOP GROUP, MID Tarps Decals/ Miscellaneous
22
5
15
28
14
10
24
15
3
19
4
18
3
18
31
19
24
19
27
19
11
9
34
18
26
27
19
24
25
19
15
12
6
19
26
8
17
19
24
19
13
14
7
18
2
15
18
15
26
22
29
19
19
19
15
22
24
27
14
30
24
23
32
4
23
26
14
11
19
27
18
33
6
36
FIT
1:1
100%

Артикул

Название

Примечание

Количество

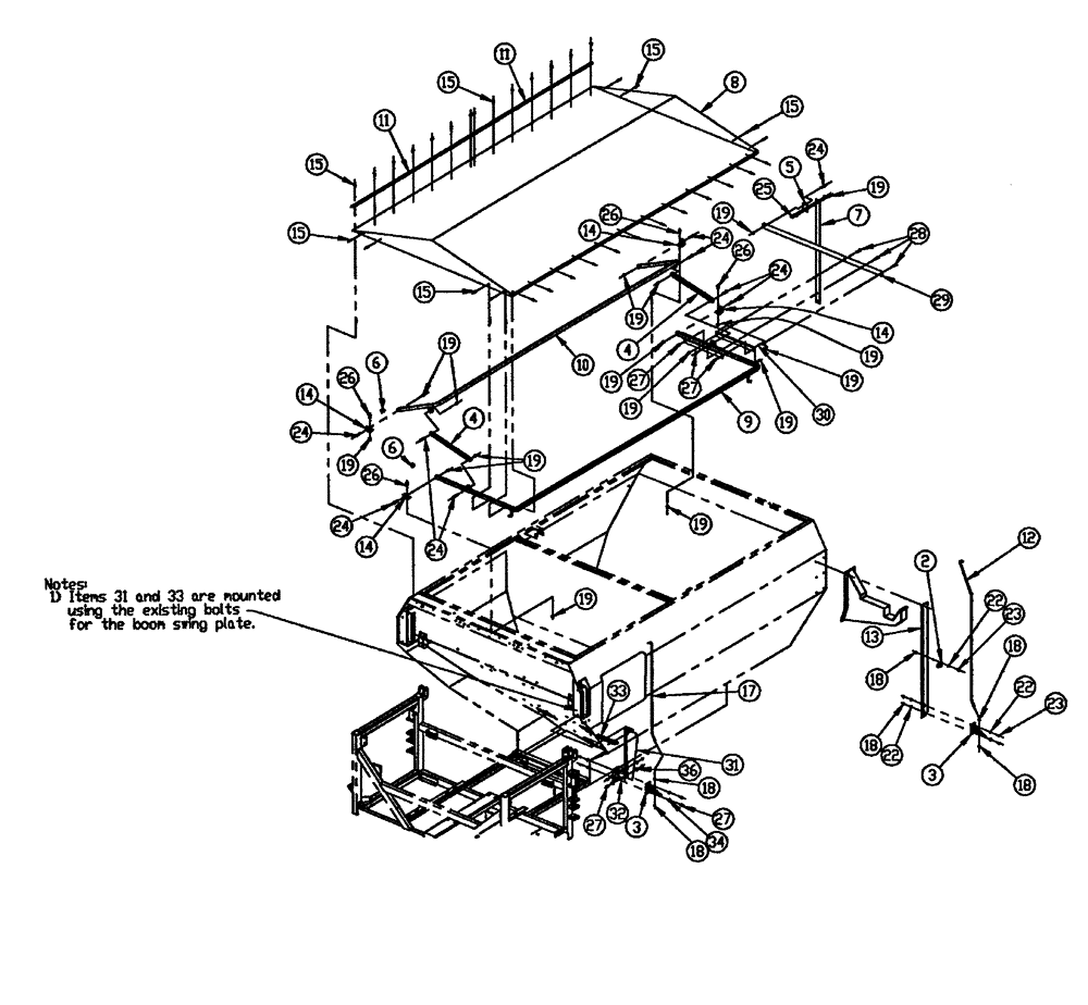
2

BN52035

CLAMP

2" Dia., Vinyl Coated

1шт.

3

BN05777

CLAMP

Lock Mech-Flip Top

2шт.

4

BN15214

LINK

Fliptop

2шт.

5

BN32816

BRACKET

10 GA 304 2.X 3.75

1шт.

6

BN32823

PLUG

Cap - Tubing - Fits 1 x 1 x 14G

8шт.

7

BN32836

STRAP

Pull-M8 M15 Flip Top

1шт.

8

BN311670

TARPULIN

Flip Top, Gray

1шт.

9

BN35903

FRAME

Outside-Flip Top

1шт.

10

BN35906

FRAME

Inside-Flip Top

1шт.

11

BN35908

SUPPORT

Tarp-Outside

2шт.

12

BN67118

ROD

Flip Top, Side

1шт.

13

BN66075

SUPPORT

Flip Top Rod, Side

1шт.

14

BN324644

PIVOT

Flip Top-(438)

4шт.

15

BN54127

RIVET

Nylon Drive-Notblac

34шт.

17

BN67117

ROD

Lock, 38" Formed

1шт.

18

BN55361

NUT,5/16"-18, Nylon, Stainless

7шт.

19

BN50759

LOCK NUT,3/8"-16, Nylon, Stainless

25шт.

22

BN50142

WASHER,5/16", Stainless Steel

5шт.

23

BN50476

BOLT,5/16"-18 x 0.75", Stainless

3шт.

24

BN50267

BOLT,3/8"-16 x 2", Stainless Steel

9шт.

25

BN50250

BOLT,3/8"-16 x 3/4", Stainless Steel

2шт.

27

BN50254

BOLT,3/8"-16 x 1", Stainless

7шт.

28

BN50263

BOLT,3/8"-16 X 1-3/4", Stainless Steel

3шт.

29

BN311719

HANDLE

Flip Top

1шт.

30

BN311720

SPACER

Flip Top Handle

1шт.

31

BN319812

SUPPORT

Flip Top Rod Front

1шт.

32

BN319813

BRACKET

Lock Flex-Air®

1шт.

33

BN319824

GUIDE

Rod Fex-Air

1шт.

34

BN50146

WASHER,3/8", Stainless

8шт.

Выбрано товаров: 29