Запчасти Case IH FLX810 (05-029) - VALVE, ELECTRIC BALL Wet Kit

Схема запчастей Case IH FLX810 - (05-029) - VALVE, ELECTRIC BALL Wet Kit
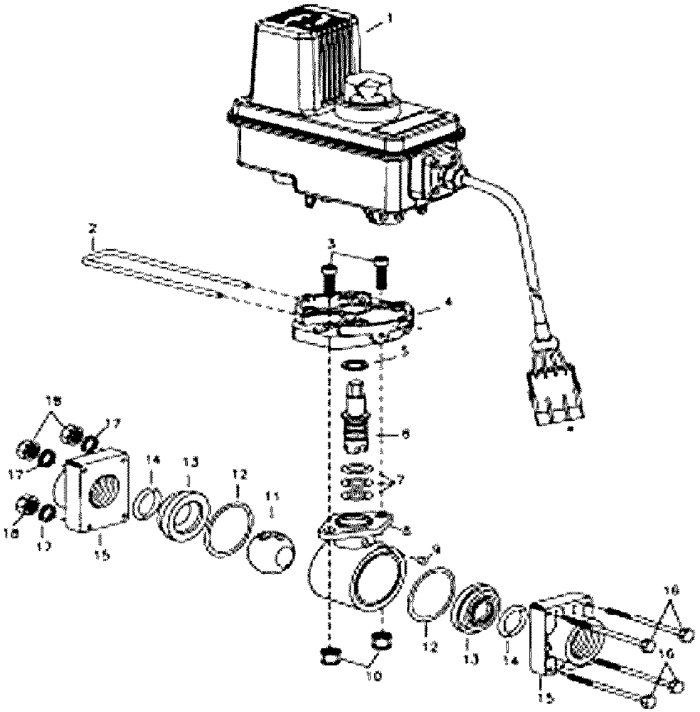
10
6
18
12
16
13
4
17
18
17
1
2
13
14
9
10
11
14
12
8
13
3
7
12
15
FIT
1:1
100%

Артикул

Название

Примечание

Количество

0

87389559

VALVE

Electric, 1" Ball

1шт.

1

87500052

VALVE

body Spraying Systems 50515-22CP05

1шт.

2

87500054

CLIP

valve body Spraying Systems 50517-SSPV

1шт.

4

87500053

PLATE

valve adapter

1шт.

6

87500140

VALVE STEM

stainless

1шт.

8

87577838

TEE

fit poly 2" flange manifold

1шт.

11

87422332

BALL

poly valve

1шт.

16

BN67050

BOLT,1/4"-20 X 3.00", Stainless Steel

4шт.

100

87422324

SERVICE KIT

344-AEC Ball Valve

1шт.

Service Parts for 87389559

1шт.

101

87500141

REPAIR KIT

electric ball valve

1шт.

Service Parts for 87389559

1шт.

Выбрано товаров: 12