Качественные детали и логистика
Оригинальные и аналоговые запчасти с доставкой по России, Казахстану и Беларуси
©2022 PartSell ООО "Система" ИНН 2463123282 ОГРН 1212400004838
Центральный офис: г. Красноярск, Академика Киренского, д.87, пом.4
Телефон: 8 (800) 777-65-74 Email: zakaz@partsell.ru
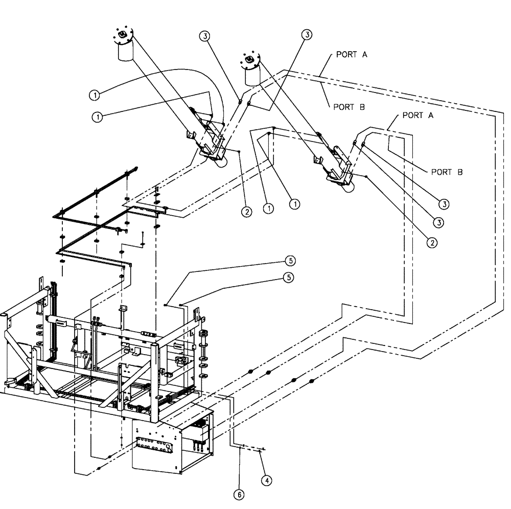
(02-041) - 6” AUGER FITTING GROUP, DOUBLE & TRIPLE BIN, 37 & 50 CU. FT
№
Артикул
Название
Примечание
Количество
1
BN302547
90 ELBOW
9/16-18 x 7/16-20, ZND
4шт.
2
BN311142
ELBOW
Fitting, Elbow Body-90 Degree
2шт.
3
BN305057
FITTING
12MOR-10MB
4
BN69951
CAP
Grease
5
BN35805
ADAPTER
str 1/8 npsm-nptf
6
BN53570
BHD LOCK NUT
Выбрано товаров: 0