Запчасти Case IH 4330 (04-001) - FRONT AXLE ASSEMBLY Frame & Suspension

Схема запчастей Case IH 4330 - (04-001) - FRONT AXLE ASSEMBLY Frame & Suspension
3
13
1
15
10
16
21
4
12
9
18
2
20
7
6
7
19
9
11
8
8
5
14
17
FIT
1:1
100%

Артикул

Название

Примечание

Количество

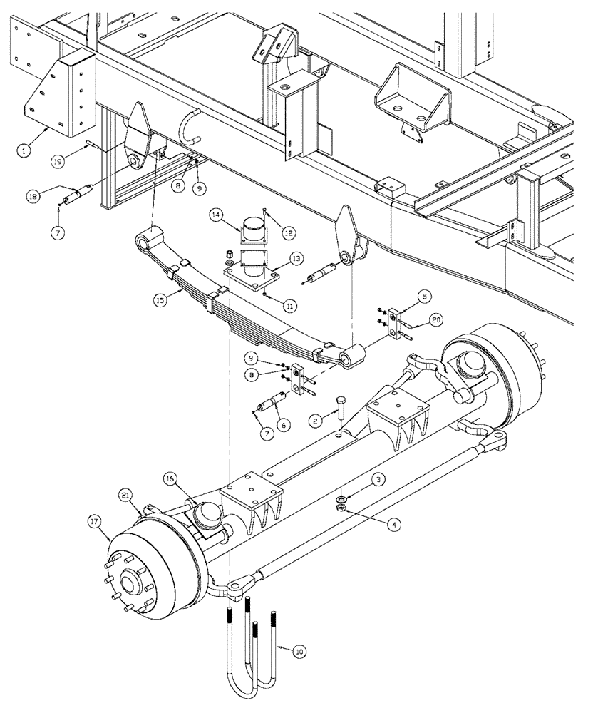
1

BN7141995

57 Frame 180" W.B.

1шт.

2

428-1672

BOLT,Hex, 1" - 14 x 4-1/2", Gr 8

Hex, 1"-14 x 4", G8

2шт.

3

BN2298333

WASHER

Hardened 1 WA1772

2шт.

4

BN1470411F

LOCK NUT

1"-14 Flex

2шт.

5

BN2394958

SHACKLE

Front, E397-55

4шт.

6

BN2391613

PIN,31.7mm OD x 165.1mm L

Shackle B1367-55

4шт.

7

BN2651850

LUBE NIPPLE

1/8 Straight 5000

6шт.

8

BN2292371

NUT

3/8, FW, G8

10шт.

9

BN1470404C

LOCK NUT

NC 3/8-16 Flex Lock

10шт.

10

BN2292186

U-BOLT

3/4 X 6-1/8 X 15-1/2

4шт.

11

BN1470409F

LOCK NUT

NF 3/4-16 Flex Lock

8шт.

12

BN1913319C

BOLT

HH 3/8-16 X 1 NC

8шт.

12a

BN247218

Hardened 3/4 WA17

8шт.

Associated Part Of Bolt, P/N BN1913319C

1шт.

13

BN7147045

SUPPORT

U-Bolt Front Spring

2шт.

14

BN5001054

BUMPER

Rubber, 3 3/8"

2шт.

15

BN2394957

SPRING

Double Eye 572383C91

2шт.

16

BN1666159

PLUG

Allen Head 3/8

2шт.

17

BN7147025

AXLE

Front

1шт.

18

BN2391614

PIN,31.7mm OD x 178.82mm L

Front B1366-55 Flagg

2шт.

19

BN2294185

KEY

Draw LP#107 Flagg

2шт.

20

BN2294181

KEY

Draw, #113

8шт.

21

BN2293237

BOOT

Garrison

2шт.

Выбрано товаров: 23