Запчасти Case IH 4330 (02-001[04]) - ENGINE GROUP (4330 ONLY) (01) - ENGINE

Схема запчастей Case IH 4330 - (02-001[04]) - ENGINE GROUP (4330 ONLY) (01) - ENGINE
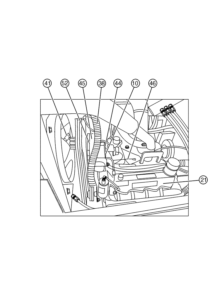
10
45
46
21
52
38
41
44
FIT
1:1
100%

Артикул

Название

Примечание

Количество

1

BN247218

Hardened 3/4WA17

2шт.

2

BN281510

0102-12-8

1шт.

3

BN1420062

1/2 X 2 STD

1шт.

4

BN1470404C

LOCK NUT

NC 3/8-16 Flex Lock

3шт.

5

BN1470406C

LOCK NUT

NC 1/2-13 Flex Lock

4шт.

6

BN1470409C

LOCK NUT

NC 3/4-10 Flex Lock

2шт.

7

BN1913320C

HH 7/16-14 X 1 NC G

2шт.

8

413-1216

BOLT,Hex, 3/4" - 10 x 1", Gr 5

2шт.

9

BN1913329C

HH 1/2-13 X 1-1/4 N

8шт.

10

BN1913335C

BOLT

HH 3/8-16 X 1-1/2

4шт.

11

BN1913378C

BOLT

1/2-13 X 2.5, HH, G8

2шт.

12

280210

BOLT,Hex, 3/4"-10 x 4", G5

2шт.

13

BN1913453C

HH 3/8-16 X 4-1/2 N

6шт.

14

BN1913657C

HH 1/2-13 X 3-1/4

2шт.

15

BN1913695F

BOLT

HH 7/16 X 1-3/4 NF

10шт.

17

BN2290273

BUSHING

0102-8-6

1шт.

18

BN2290278

BUSHING

0102-6-2

1шт.

19

BN2290291

BUSHING

0102-4-2

1шт.

20

BN2290298

BUSHING

0102-12-6

1шт.

21

BN2292195

CAT 3208T330HP

1шт.

21a

BN2292195-001

Advance Timing-CAT

1шт.

Service Parts For Ref. 21

1шт.

22

BN2292249

HYDRAULIC VALVE

Heater Everhot

2шт.

23

BN2292371

NUT

3/8, FW, G8

4шт.

24

BN51674

HOSE CLAMP

Adjustable #40

1шт.

25

BN2293521

FITTING

2102-6-6

1шт.

26

BN2293687

FITTING

744240

1шт.

28

BN2297361

KIT

Lord

2шт.

29

BN2297362

ENGINE MOUNT

Lord

2шт.

31

BN2303412

LOCK WASHER

3/8

6шт.

32

BN2303414

7/16

2шт.

33

BN2303421

3/4

2шт.

34

2392096

SENSOR

Oil Datcon

1шт.

35

BN2392312

WASHER

Mount

2шт.

37

BN2393603

FITTING

2103-8-10

1шт.

38

BN2393814

HOSE

Gates 26513 2" X 33

1шт.

39

BN2394668

PULLEY

Engine 8"

1шт.

40

BN2394965

TEMPERATURE SENDER

1шт.

41

BN2396570

FAN

8-Blade 26"/3208

1шт.

42

BN2401945

SENDER UNIT

Tachometer

1шт.

43

BN2404997

PRESSURE SWITCH

Pressure N.O.

1шт.

44

BN303492

SPACER

330, CAT

1шт.

45

BN303781

FAN

Tightener Bracket

1шт.

46

NSS

NOT SOLD SEPARAT

Assembly, Throttle, See Fig 02-005

1шт.

47

NSS

NOT SOLD SEPARAT

Compressor, A/C, See Fig 02-016

1шт.

48

BN7136209

BRACKET

Freon Compressor

1шт.

49

NSS

NOT SOLD SEPARAT

Air Governor(32) See Fig 07-002

1шт.

50

BN7146201

CROSSMEMBER

Crossmember, Engine-Front

1шт.

51

BN7146202

MOUNTING PLATE

Engine-Rear

2шт.

52

NSS

NOT SOLD SEPARAT

Fan Bracket MOD (Modine), See Fig 02-006

1шт.

53

BN2303415

1/2, LW, G5

1шт.

54

BN1913338C

HH 3/8-16 X 1-1/2 G8

12шт.

Выбрано товаров: 52