Запчасти Case IH 4375 (03-002[02]) - TRANSMISSION MOUNTING (03) - TRANSMISSION

Схема запчастей Case IH 4375 - (03-002[02]) - TRANSMISSION MOUNTING (03) - TRANSMISSION
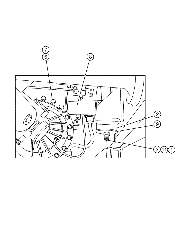
8
7
3
2
1
6
11
9
FIT
1:1
100%

Артикул

Название

Примечание

Количество

1

87310608

WASHER,22mm ID x 44mm OD x 5mm Thk

22 x 44 x 5 mm, HDN, DOR

2шт.

2

BN300012

DAMPER

Vibration, Engine

2шт.

3

814-22140

BOLT,Hex, M22 x 140mm, Cl 8.8

M22-2.5 X 140, HH, 10.9

2шт.

4

BN300371

BOLT

7/16-14 X 1.75, HH, G8

12шт.

5

86637952

WASHER,0.47" ID x 0.92" OD x 0.07" Thk

0.469 x 0.922 x 0.065, Hardened

12шт.

6

BN300500

WASHER,M12, 10.9

5шт.

7

BN301356

BOLT

M12-1.75 X 60, HH, 10.9

5шт.

8

BN301837

MOUNTING PLATE

MD3066 Mount, 3176/96 INST.

1шт.

9

BN302284

WASHER,23.88mm ID x 98.55mm OD x 6.35mm Thk

Rebound, 3.88 od x .94 id x .25

4шт.

10

BN304888

BOLT

M16-2 X 130, HH, 10.9

8шт.

11

BN305518

NUT

M22-2.5, NLN, 10.9

2шт.

Выбрано товаров: 11