Запчасти Case IH FLX3010 (02-046) - OIL PUMP AND OIL PAN, FLX 3510 (01) - ENGINE

Схема запчастей Case IH FLX3010 - (02-046) - OIL PUMP AND OIL PAN, FLX 3510 (01) - ENGINE
6
12
7
11
2
8
10
24
18
13
9
23
21
19
3
14
22
20
17
5
4
16
1
15
FIT
1:1
100%

Артикул

Название

Примечание

Количество

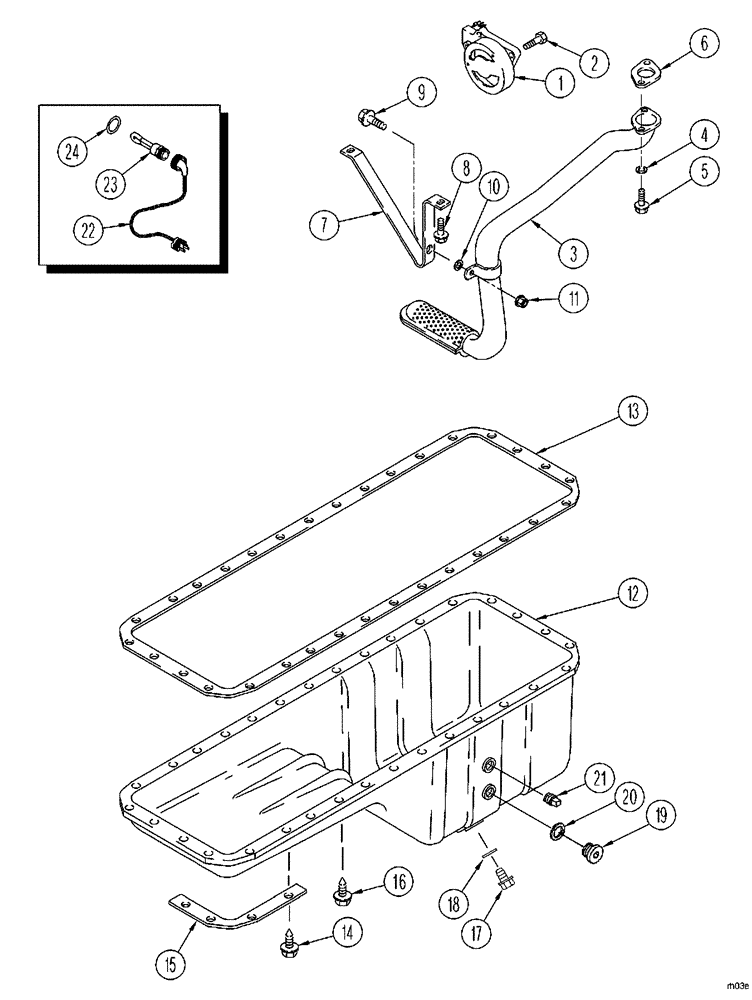
1

J991123

ENGINE OIL PUMP

1шт.

1

JR991123

REMAN-ENG OIL PUMP

REMAN-ENGINE OIL PUMP Remanufactured Oil Pump; For N.A. only

1шт.

1

JC991123

CORE-ENGINE OIL PUMP

CORE-ENGINE OIL PUMP Return Number - For N.A. only

1шт.

2

J900677

BOLT,Hex

Hex, Full Threads, 8 - 1.25 X 30 MM

4шт.

3

J944264

TUBE,1.25" OD

With Screen, Oil Suction

1шт.

4

J926865

SPACER,6.9mm ID x 12.7mm OD x 14mm L

Mounting

2шт.

5

845-6030

BOLT,Hvy Hex, M6 x 30mm, Cl 8.8

2шт.

6

87447959

GASKET,1.2mm Thk

Oil Suction

1шт.

7

J927611

BRACKET

Brace - Suction Tube

1шт.

8

87015915

BOLT,Hvy Hex, M6 x 15mm, Cl 8.8, Full Thd

2шт.

9

87015862

BOLT,Hvy Hex, M6 x 20mm, Cl 8.8, Full Thd

1шт.

10

J910960

WASHER

Flat, Special

1шт.

11

9804276

FLANGE NUT,Hex, M6 x 1, Cl 8

1шт.

12

87357469

ENGINE OIL PAN

1шт.

13

87308050

GASKET,0.95mm Thk

Oil Pan

1шт.

14

J907860

FLANGE BOLT,Hex, M8 x 25mm, Spcl

32шт.

15

87414461

SUPPORT

Pan

4шт.

16

J920400

FLANGE BOLT,Hex, M8 x 1.25 x 21mm, Gr 8.8

16шт.

17

J924147

PLUG,M18 x 1.5

Hex Magnetic, Special, 18 MM - 1.5

1шт.

18

J920773

SEALING WASHER

1шт.

19

J924148

PLUG,M22 x 1.5

Hex Magnetic, Special, 22 MM - 1.5

1шт.

20

J902425

SEALING WASHER,22.2mm ID x 26.9mm OD x 1.75mm Thk

Sealing, Plug

1шт.

21

86637727

DRAIN PLUG,Sq Soc, 1 1/4"-11 1/2, NTPF

1шт.

87308050

GASKET,0.95mm Thk

Oil Pan

1шт.

Includes Refs. 6, 13, 18, & 20

1шт.

A77580

SERVICE KIT

Oil Pan Heater, Engine Oil

1шт.

Also Order Ref. 24

1шт.

22

87105748

ELECTRIC CABLE,120V, 15A

1829 mm (72") (Engine Block Heater, 120 Volt)

1шт.

23

NSS

NOT SOLD SEPARAT

Element - Heater, 120 Volt

1шт.

24

J902425

SEALING WASHER,22.2mm ID x 26.9mm OD x 1.75mm Thk

Sealing, Plug

1шт.

Order Along With A77580 Or A77666

1шт.

A77666

SERVICE KIT

Heater, Engine Oil, 240 Volt

1шт.

Also Order Ref. 24

1шт.

22

J905114

ELECTRIC CABLE

Engine Block Heater, 6 Foot ( 240 Volt )

1шт.

23

NSS

NOT SOLD SEPARAT

Element - Heater, 240 Volt

1шт.

24

J902425

SEALING WASHER,22.2mm ID x 26.9mm OD x 1.75mm Thk

Sealing, Plug

1шт.

Order Along With A77580 Or A77666

1шт.

Выбрано товаров: 37