Запчасти Case IH FLX3010 (02-079) - FUEL INJECTION PUMP - DISTRIBUTOR KIT, FLX 3010 & FLX 3510 (01) - ENGINE

Схема запчастей Case IH FLX3010 - (02-079) - FUEL INJECTION PUMP - DISTRIBUTOR KIT, FLX 3010 & FLX 3510 (01) - ENGINE
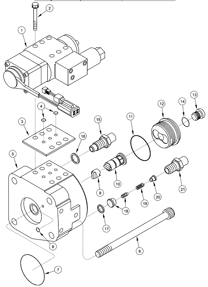
15
1
16
19
18
9
12
4
8
3
10
6
2
5
7
14
11
17
20
21
13
FIT
1:1
100%

Артикул

Название

Примечание

Количество

JR4010269

REPAIR KIT

Distributor, Remanufactured (North America Only)

1шт.

JC4010269

SERVICE KIT

Return Number - Distributor Kit (Use This Part Number To Return Distributor Core For Credit)

1шт.

J4010269

REPAIR KIT

Distributor

1шт.

1

NSS

NOT SOLD SEPARAT

Valve - Control

1шт.

2

NSS

NOT SOLD SEPARAT

Bolt

6шт.

3

NSS

NOT SOLD SEPARAT

Gasket-Mounting

1шт.

4

NSS

NOT SOLD SEPARAT

Seal

2шт.

5

NSS

NOT SOLD SEPARAT

Housing

1шт.

6

J347941

SCREW,Hex Skt

Bolt

4шт.

7

J867645

O-RING,0.07" Thk x 2.364" ID

1шт.

8

J867480

O-RING,0.07" Thk x 0.239" ID, -10, Cl 5, 75 Duro

1шт.

9

J330644

HUB

Drive

1шт.

10

NSS

NOT SOLD SEPARAT

Shaft

1шт.

11

J348757

O-RING,1.424" ID x 1.63" OD

1шт.

12

J4002104

PLUG

Reducer

1шт.

13

J678923

PLUG,M10 x 1

Hex Socket, 10 MM

1шт.

14

86625087

O-RING,1.6mm Thk x 8.1mm ID, Cl 7, 75 Duro

1шт.

J800867

REPAIR KIT

Distributor, Inlet Fitting

1шт.

15

NSS

NOT SOLD SEPARAT

Connector

1шт.

16

J4009898

DISC

Seal

1шт.

J800909

REPAIR KIT

Outlet Fitting

6шт.

17

J867724

SEAL

1шт.

18

NSS

NOT SOLD SEPARAT

Seat - Valve

1шт.

19

NSS

NOT SOLD SEPARAT

Spring

1шт.

20

NSS

NOT SOLD SEPARAT

Guide

1шт.

21

NSS

NOT SOLD SEPARAT

Connector

1шт.

Выбрано товаров: 26