Запчасти Case IH FLX3300B (08-001[03]) - MAIN ELECTRICAL HARNESSES (06) - ELECTRICAL

Схема запчастей Case IH FLX3300B - (08-001[03]) - MAIN ELECTRICAL HARNESSES (06) - ELECTRICAL
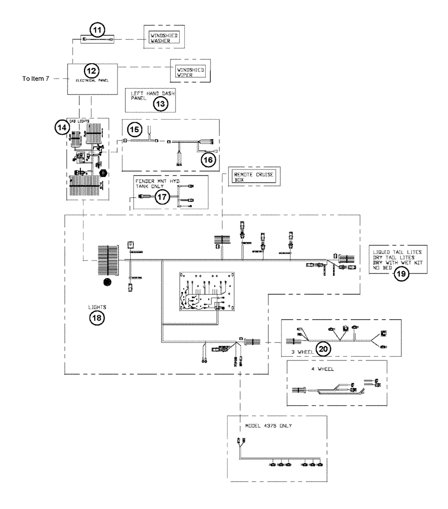
16
14
13
17
20
15
12
18
11
19
FIT
1:1
100%

Артикул

Название

Примечание

Количество

1

BN302156

WIRE HARNESS

Vehicle, Allison

1шт.

2

BN307192

WIRE HARNESS

TPS, 3208

1шт.

3

BN303517

WIRE HARNESS

Selector, Allison

1шт.

4

BN302158

WIRE HARNESS

Transmision, ECU MD3066

1шт.

4

BN302160

WIRE HARNESS

Transmission, ECU HD 4060

1шт.

Indicates Old Part Number Or Can Order Newer Part Number Listed Above

1шт.

5

BN302159

WIRE HARNESS

Transmission, Interface MD3060

1шт.

5

BN302161

WIRE HARNESS

Transmission, COMP. HD4060

1шт.

Indicates Old Part Number Or Can Order Newer Part Number Listed Above

1шт.

6

BN314289

WIRE HARNESS

Cruise Flexair

1шт.

7

BN314286

WIRE HARNESS

Titan Main Cab

1шт.

8

BN303272

WIRE HARNESS

Engine Derate (Cat3208)

1шт.

9

BN314285

WIRE HARNESS

QSC Elect.

1шт.

10

BN314454

WIRE HARNESS

(Cat3208)

1шт.

11

BN8207076

WIRE HARNESS

Windshield Washer

1шт.

12

BN304955

PANEL

1шт.

12

BN7132103

1шт.

Indicates Old Part Number Or Can Order Newer Part Number Listed Above

1шт.

13

BN314885

Left Dash Panel

1шт.

13

BN314900

Left Dash, CDC Eng

1шт.

Indicates Old Part Number Or Can Order Newer Part Number Listed Above

1шт.

13

BN314959

DASH PANEL

Left, Cat 3208

1шт.

Indicates Old Part Number Or Can Order Newer Part Number Listed Above

1шт.

14

BN314591

WIRE HARNESS

Titan Cab Lights

1шт.

15

BN314592

WIRE HARNESS

3W Roof Lights

1шт.

16

BN314625

WIRE HARNESS

Roof Lights

1шт.

17

BN303224

WIRE HARNESS

HYD. Oil Sensor

1шт.

18

BN316501

WIRE HARNESS

Lights 3300B

1шт.

19

BN312830

WIRE HARNESS

Rear Lights (With Liquid System)

1шт.

19

BN312830

WIRE HARNESS

Rear Lights (With Flex-Air)

1шт.

Indicates Old Part Number Or Can Order Newer Part Number Listed Above

1шт.

19

BN312831

WIRE HARNESS

Rear Lights (With Flex-Air And Wet Kit)

1шт.

Indicates Old Part Number Or Can Order Newer Part Number Listed Above

1шт.

19

BN312830

WIRE HARNESS

Rear Lights (Chassis Only)

1шт.

Indicates Old Part Number Or Can Order Newer Part Number Listed Above

1шт.

20

BN314593

WIRE HARNESS

3W Hood Lights

1шт.

Выбрано товаров: 36