Запчасти Case IH FLX3300B (02-045) - ENGINE - CONTROL MODULE (01) - ENGINE

Схема запчастей Case IH FLX3300B - (02-045) - ENGINE - CONTROL MODULE (01) - ENGINE
14
9
7
8
21
4
2
12
12
13
6
5
13
1
10
20
16
3
11
FIT
1:1
100%

Артикул

Название

Примечание

Количество

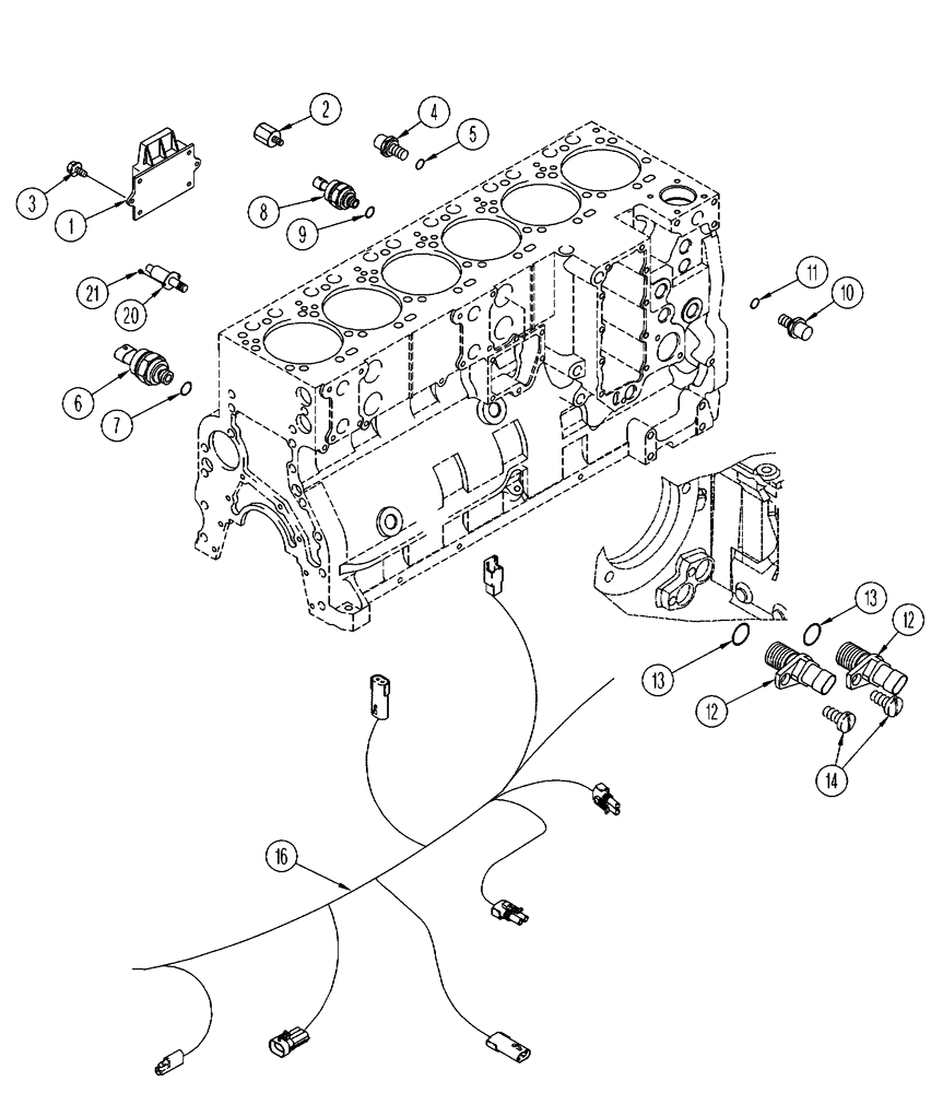
1

J944125

ECU

Module

1шт.

1

JR944125

REMAN-ELECT MONITOR

Reman-Monitor Module - Control, Remanufactured

1шт.

1

JC944125

CORE-MONITOR

Return Part Number Control Module (Use This Part Number To Return The Module Core For Credit)

1шт.

2

J936236

SPACER

2шт.

3

845-8020

BOLT,Hvy Hex, M8 x 20mm, Cl 8.8

3шт.

4

J348747

SENSOR

Pressure

1шт.

5

J330202

O-RING,11.3MM ID x 2.2 Thk

1шт.

6

87400188

SENSOR

Pressure

1шт.

7

J330202

O-RING,11.3MM ID x 2.2 Thk

1шт.

8

J408345

SENSOR

Temperature

1шт.

9

J678912

O-RING,2.2mm Thk x 11.3mm ID

1шт.

10

J865346

SENSOR

Temperature

1шт.

11

J678912

O-RING,2.2mm Thk x 11.3mm ID

1шт.

12

87405627

SENSOR

Position

2шт.

13

87405641

O-RING,0.07" Thk x 0.676" ID, -17, Cl 5, 75 Duro

Sealing

1шт.

14

9804255

BOLT,Hex, M6 x 1 x 16mm, Full Thd, Cl 8.8

4шт.

16

86991439

HARNESS

1шт.

17

313490A1

BOLT

M10 X 14

6шт.

18

9804277

FLANGE NUT,Hex, M8 x 1.25, Cl 8

1шт.

19

9804276

FLANGE NUT,Hex, M6 x 1, Cl 8

1шт.

20

J3085140

SENSOR

Pressure

1шт.

21

845-8016

BOLT,Hvy Hex, M8 x 16mm, Cl 8.8

2шт.

22

J945253

BRACKET

Wiring Retainer

1шт.

Not Shown

1шт.

23

87015915

BOLT,Hvy Hex, M6 x 15mm, Cl 8.8, Full Thd

2шт.

24

459329C1

NUT

1 11/16"-18 aluminum 3/16" thick

1шт.

Not Shown

1шт.

25

51200012

LOCK WASHER

split 1 3/4" id x 3/32" tk

1шт.

Not Shown

1шт.

Выбрано товаров: 0