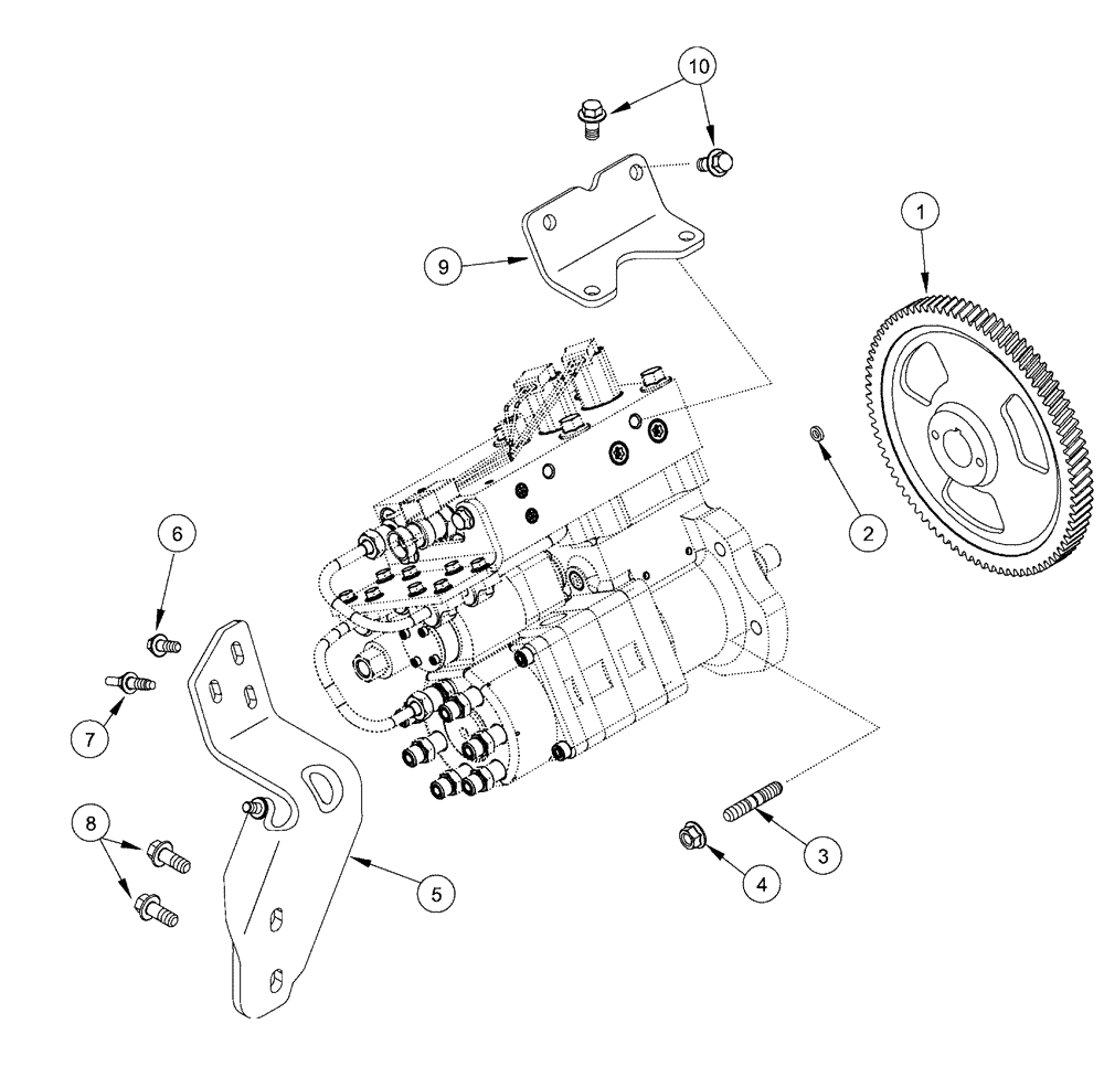
Запчасти Case IH FLX3300B (02-054) - FUEL INJECTION PUMP - GEAR AND MOUNTING BRACKETS (01) - ENGINE

Схема запчастей Case IH FLX3300B - (02-054) - FUEL INJECTION PUMP - GEAR AND MOUNTING BRACKETS (01) - ENGINE
1
7
9
5
4
2
8
3
6
10
FIT
1:1
100%

Артикул

Название

Примечание

Количество

1

J942764

GEAR

Fuel Pump

1шт.

2

J926722

SEALING RING,Square, 2.51mm Thk x 6.27mm ID, -108

Ring - Quad, Fuel Injection Pump

1шт.

3

86991263

STUD,M10 x 1.5 x 55

4шт.

4

9804278

FLANGE NUT,M10 x 1.5, Cl 8

4шт.

5

J943440

SUPPORT

Fuel Pump

1шт.

6

845-8020

BOLT,Hvy Hex, M8 x 20mm, Cl 8.8

2шт.

7

J909310

SCREW,Hex Flg, M8 x 1.25 x 25mm, Cl 10.9

Stud - Hex Flange, 8 - 1.25 X 6 - 1.0 MM

1шт.

8

9804261

BOLT,Hex, M10 x 25mm, Cl 8.8, Full Thd

2шт.

9

J991108

SUPPORT

Injector Pump

1шт.

10

86050286

FLANGE BOLT,M10 x 20mm, Cl 8.8

4шт.

Выбрано товаров: 10