Запчасти Case IH FLX3300B (08-001[02]) - MAIN ELECTRICAL HARNESSES (06) - ELECTRICAL

Схема запчастей Case IH FLX3300B - (08-001[02]) - MAIN ELECTRICAL HARNESSES (06) - ELECTRICAL
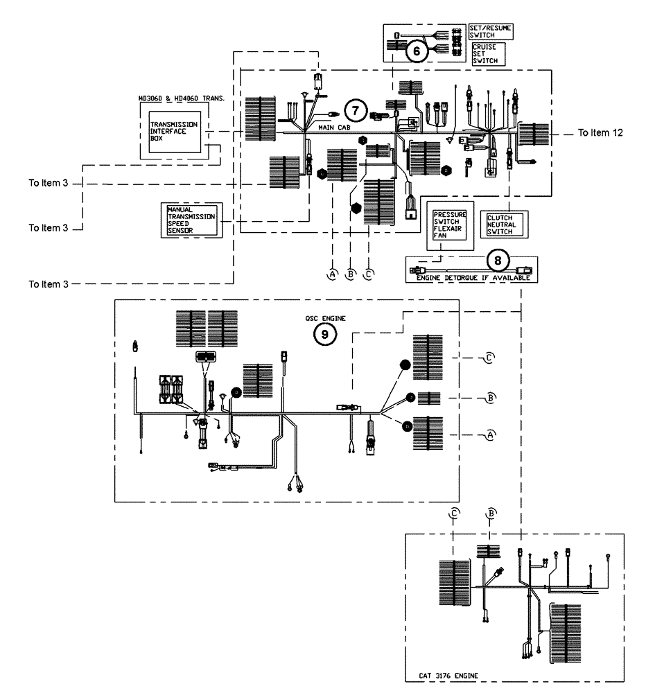
7
6
9
8
FIT
1:1
100%

Артикул

Название

Примечание

Количество

1

BN302156

WIRE HARNESS

Vehicle, Allison

1шт.

2

BN307192

WIRE HARNESS

Tps

1шт.

3

BN303517

WIRE HARNESS

Selector Harness, Allison

1шт.

4

BN302158

WIRE HARNESS

Transmission, ECU MD3066

1шт.

5

BN302159

WIRE HARNESS

Transmission, Interface MD3060

1шт.

6

BN314289

WIRE HARNESS

Cruise Flexair

1шт.

7

BN325011

WIRE HARNESS

Titan Main Cab

1шт.

8

BN303272

WIRE HARNESS

Engine Derate

1шт.

9

BN322894

WIRE HARNESS

QSC Elect. Engine

1шт.

11

BN322801

WIRE HARNESS

Windshield Washer

1шт.

12

BN304955

PANEL

Electrical Assembly, See Fig 08-002

1шт.

12

7132103

Assembly, Cab Electrical

1шт.

Indicates Old Part Number Or Can Order Newer Part Number Listed Above

1шт.

13

BN314900

Assembly, Left Dash, CDC Engine

1шт.

14

BN325010

WIRE HARNESS

Titan Cab Lights

1шт.

15

BN323966

WIRE HARNESS

3 W Roof Lights

1шт.

16

BN314625

WIRE HARNESS

Roof Lights

1шт.

17

342470A1

WIRE HARNESS

HYD Oil Sensors

1шт.

18

BN325009

WIRE HARNESS

Lights 3300B

1шт.

19

BN312830

WIRE HARNESS

Rear Lights (With Liquid System)

1шт.

19

BN312830

WIRE HARNESS

Rear Lights (With Flex-Air)

1шт.

Indicates Old Part Number Or Can Order Newer Part Number Listed Above

1шт.

19

BN312831

WIRE HARNESS

Rear Lights (With Flex-Air And Wet Kit)

1шт.

Indicates Old Part Number Or Can Order Newer Part Number Listed Above

1шт.

19

BN312830

WIRE HARNESS

Rear Lights (Chassis Only)

1шт.

Indicates Old Part Number Or Can Order Newer Part Number Listed Above

1шт.

20

BN314593

WIRE HARNESS

3 W Hood Lights

1шт.

Выбрано товаров: 27